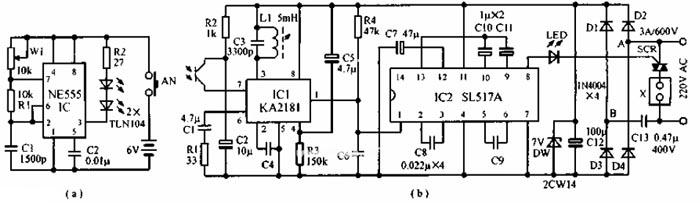
发射电路采用555构成的多谐振荡器,振荡频率约35KHz,驱动红外发射管,其正向电流约为60mA。接收电路由红外接收头、前置放大与检波、放大与双稳态电路及可控硅控制电路等组成。专用红外集成块KA2818内部有前置放大、调谐、检波、ACC和波形修正电路,该电路输出负脉冲波。IC2为声控集成块SL517A,其功能
:放大、翻转触发、驱动等,每接收一次红外信号翻转一次,可控硅改变一次
。

>>
。 (本文来源网络整理,目的是传播有用的信息和知识,如有侵权,可联系管理员删除)
版权声明:网站转载的所有的文章、图片、音频视频文件等资料的版权归版权所有人所有。如果本网所选内容的文章作者及编辑认为其作品不宜公开自由传播,或不应无偿使用,请及时联络我们,采取适当措施,避免给双方造成不必要的经济损失。