这款电子自动控制器可根据室内温度、有害气体浓度变化而自动控制换气扇的通、断工作。线路简单,成本低、灵敏度高,使用方便、稳定可靠,可适用于厨房、澡堂,锅炉房、化工车间等室内换气扇、抽油烟机的自动控制。
一、电路工作原理
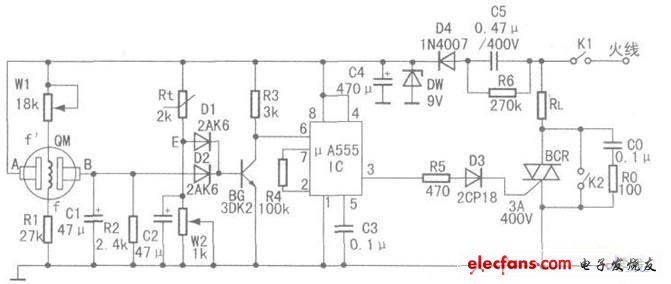
自动控制电路原理图见下图:其中QM是气敏传感器,它与W1、C1、R1、R2-起构成气体检测电路。Rt是热敏电阻,它与C2、W2一起构成温度检测电路oD1和D2构成或门逻辑电路。三极管BG工作在开关状态。uA555接成双稳模式。BCR作为一只单向可控硅元件。合上开关K1,可为电路提供9V左右的直流电源。平时,由于室内无有害气体或其浓度在允许值范围以内,因此光敏传感器两检测端A、B间的阻值比较大,使B点电位低于1V,此时D2、BG均截止.IC⑥脚为高电平,③脚为低电平.BCR处于断开状态,换气扇RL不工作。
一旦室内有害气体或油烟浓度超过允许值,气敏传感器A、B间的阻值便迅速减小,使B点电位升高,导至D2、BG导通,使IC⑥脚电位下降.IC③脚输出为高电平,使BCR导通,换气扇得电而工作。直至室内气体成份恢复正常,换气扇停止工作。当室内无有害气体,室温远低于设定人体温度(例如36qC)时,因热敏电阻Rt的阻值较大使E点电位低于1V,此时换气扇不工作。
如室温上升,Rt的阻值逐渐减小到接近温度时,E点电位升高,D1、BG导通,IC⑥脚电位下降,③脚输出高电平,BCR导通,换气扇得电工作。直至室温恢复到允许值。换气扇才停止转动。
换气扇的工作状态受两种敏感元件的检测信号VB和VE的控制,只有当有害气体和室温均处于正常状态时,换气扇才不工作,两者中只要有一个(或两者同时)不正常时,换气扇都会工作。为了稳定检测信号幅值,在电路中加入了C1和C2。手控开关K2是为方便使用而加的,平时处于断开状态。在BCR两端并接了RC吸收网络,以确保其不被损坏。

二、元件的选择与电路的装配
下图为电路装配印刷板。QM选用QM-N5型气敏半导体器件。用一个七脚电子管插座,安装起来很方便,R1为NTC热敏电阻,可采用MF51.装配时应尽量使感温部分外露。三极管可采用3DK2或3DK4型开关管,要求β≥50。时基芯片可用NE555或5G1555等,④脚空着不用。BCR采用工作电流为3A,耐压≥400V的双向可空控硅.(可根据用电器功率的大小选用)。DW为9V稳压二极管,可用2CW3等。
W1、W2可用0.5W的WS23型微型电位器.C5的耐压应大于400V。C1、C2、C4为耐压16V的普通电解电容。K1为钮子开关.K2为拉线开关。其他元件按原理图中标称值装配即可。
三、调试
调试时,可在一燃烧的蜂窝煤炉旁进行温度和煤气分子浓度的限额调试设定。
1.设定温度限额。可将一支满度值为lOOoC的温度计和热敏电阻固定在一起,然后靠近煤炉。当温度升到设定值(如35℃)时接通电源开关K1(注意:底板带电),缓慢调整W2使换气扇转动,然后将电路板撤离煤炉,使温度降低,这时换气扇应停止转动。经反复实验调试,使换气扇通、断工作均能受到温度高、低控制后,用蜡固封好W2。
2.设定煤气浓度限额。选接通电源将气敏传感器顶热10分钟后,再将电路板移至有“湿煤正在燃烧”的煤炉上方,适当调节W1用以控制QM加热电流的大小,使换气扇旋转。加热电流不得超过额定值,一般使f-f’间的电压设定在4~6V之间。然后重复上述过程反复调整几次。注意,QM的响应和恢复传感时间应该在10分钟左右,所以应当细心缓慢反复调整,直到换气煽的开、通工作均受一定煤气浓度控制后(尽量提高传感器的反应灵敏度),即可用蜡固封好W1。
至此自动控制电路的装配调试全部完成,换气扇可以安装使用,带有传感器的控制板应装在离天花板0.4~0.6米处比较适宜。
由于本线路板与市电相通带电,最好采用塑料外壳(开孔),以保证人身安全。

。 (本文来源网友上传,如有侵权,可联系管理员删除)
版权声明:网站转载的所有的文章、图片、音频视频文件等资料的版权归版权所有人所有。如果本网所选内容的文章作者及编辑认为其作品不宜公开自由传播,或不应无偿使用,请及时联络我们,采取适当措施,避免给双方造成不必要的经济损失。