为了方便楼道通行和节约用电,这里介绍一种楼道照明灯延时控制电路,在每层楼之间,分别设置一个照明灯和一个按钮,人们在上下楼梯时,只要按其中任何一个按钮,楼道灯全部被点亮,当你通过楼道后,它们会自动熄灭。
电路结构
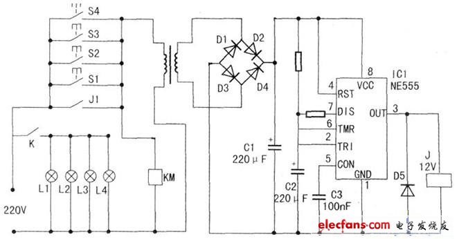
如图所示,这是一个四层楼道照明灯延时控制电路,变压器T1、整流桥D1-D4和电容器C1组成12V电源电路,ICl(NE555)及外围元件组成延时电路,继电器J和交流接触器KM组成控制电路,按钮S1、S2、S3和S4分别安装在各层楼道住户门边沿,照明灯L1、L2、L3和L4分别安装在每层楼道顶部中央。
工作原理
上下楼梯时只要按一下任何一个按钮S,220V市电经变压、整流、滤波后得到12V直流电压,并加在NE555的4、8脚,因NE555的2、6脚对地接有220uF电容,初始电压为ov.于是3脚输出高电平、继电器J得电吸合,使常开触点J1闭合,电路进入定时自锁状态;因Jl的接通,交流接触器KM得电吸合使K接通,整个楼道灯全部点亮。同时电容C2被充电,当电压升到2/3电源电压定时结束(约需3分钟),NE5553脚输出低电平、继电器J失电、触点J1断开使交流接触KM失电,K断开、楼道灯全部熄灭。若再按动任何一个按钮时,又会重新定时照明。
元件选择
IC1用NE555,T1用3VA电源变压器,D1-D5用1N4007.J选JRX-13F12V继电器,KM选用一般交流接触器.S1-S4选用常用按钮开关,其他元件如图所示。

。 (本文来源网友上传,如有侵权,可联系管理员删除)
版权声明:网站转载的所有的文章、图片、音频视频文件等资料的版权归版权所有人所有。如果本网所选内容的文章作者及编辑认为其作品不宜公开自由传播,或不应无偿使用,请及时联络我们,采取适当措施,避免给双方造成不必要的经济损失。