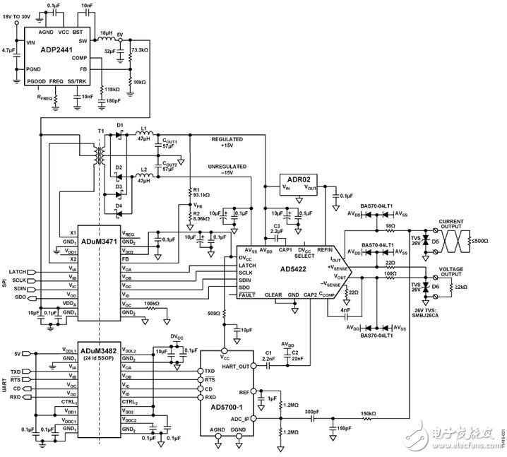
电路功能与优势
该电路提供一款完整的、完全隔离、模拟输出通道,适合需要标准4mA至20 mA HART?1-兼容型电流输出和单极性/双极性输出电压范围的可编程逻辑控制器(PLC)和分布式控制系统(DCS)模块。它为通道间隔离PLC/DCS输出模块或其他所有需要完全隔离式模拟输出的工业应用提供了灵活的构建块。电路在模拟输出端还提供了外部保护功能。
AD5422 16位数模转换器(DAC)可通过软件配置,提供全部必须的电流和电压输出。
AD5700-1是业界功耗最低、尺寸最小的 HART兼容型IC调制解调器,与 AD5422配合使用,组成完整的HART兼容型4 mA至20 mA解决方案。 AD5700-1集成内部精密振荡器,可额外节省空间,尤其在通道间隔离应用中。
PLC/DCS 解决方案必须与本地系统控制器隔离,使之免受接地环路影响,同时确保不受外部事件影响。传统解决方案利用分立IC提供电源和数字隔离。当需要多通道隔离时,分立电源解决方案的成本和空间会变成一个大大的缺点。基于光隔离器的解决方案通常具有合理的输出调节,但需要额外的外部元件,因而会使电路板面积增大。电源模块常常体积庞大,而且输出调节可能不佳。图1中的电路使用 ADuM347x系列隔离器和电源调节电路,以及相应的反馈隔离。使用外部变压器将功率传输到隔离栅的另一端。
ADuM3482为 AD5700-1提供UART信号隔离。
ADP2441, 是36 V降压DC-DC稳压器,采用工业标准24 V电源,具有宽输入电压容差。它可将电压降为5 V,为所有控制器侧电路供电。该电路还在24 V电源端集成了标准外部保护,同时还可提供+36 V至?28 V的直流过压保护。

图1.功能框图(原理示意图:未显示所有连接和去耦)
更多详情点击此链接
。 (本文来源网友上传,如有侵权,可联系管理员删除)
版权声明:网站转载的所有的文章、图片、音频视频文件等资料的版权归版权所有人所有。如果本网所选内容的文章作者及编辑认为其作品不宜公开自由传播,或不应无偿使用,请及时联络我们,采取适当措施,避免给双方造成不必要的经济损失。