电路功能与优势
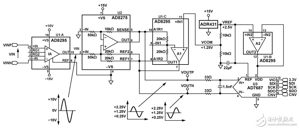
图1所示电路是一个完整的模拟前端,它利用一个16位差分输入PulSAR® ADC对±10 V工业级信号进行数字转换。该电路仅利用两个模拟器件,来提供一路具有高共模抑制(CMR)性能的高阻抗仪表放大器输入、电平转换、衰减和差分转换功能。由于具有高集成度,该电路可节省印刷电路板空间,为常见的工业应用提供高性价比解决方案。
在过程控制和工业自动化系统中,典型的信号电平最高可达±10 V。而来自热电偶和称重传感器等传感器的信号输入则较小,因此常常会遇到大共模电压摆幅,这就需要灵活的模拟输入,它能以高共模抑制性能处理大小差分信号,同时具有高阻抗输入。

图1. 适合工业过程控制应用的高性能模拟前端(原理示意图:所有连接和去耦均未显示)
用现代低压ADC处理工业级信号时,必须进行衰减和电平转换。此外,全差分输入ADC具有以下优势:良好的共模抑制性能,更少的二阶失真产物,以及简化的直流调整算法。因此,工业信号需要经过进一步调理才能与差分输入ADC正确接口。
图1所示电路是一个完整且具有高集成度的模拟前端工业级信号调理器,仅使用两个有源器件来驱动差分输入16位PulSAR ADC AD7687 :精密仪表放大器(片内集成两个辅助运算放大器) AD8295 precision in-amp (with two on-chip auxiliary op amps) 和电平转换器/ADC驱动器AD8275 。低噪声2.5V XFET®基准电压源 ADR431 为ADC提供基准电压。
AD8295是一款精密仪表放大器,片内集成两个非专用信号处理放大器和两个精密匹配的20 kΩ电阻,采用4 mm &TImes; 4 mm封装。
AD8275是一款G = 0.2差动放大器,可以用来衰减±10 V工业信号,衰减后的信号可以与单电源低压ADC轻松接口。AD8275在该电路中执行衰减和电平转换功能,可以保持良好的CMR,无需任何外部元件。
AD7687是一款16位逐次逼近型ADC,采用2.3 V至5.5 V的单电源供电。它采用差分输入,具有良好的CMR,并且能够简化SAR ADC的使用。
电路描述
该电路由用作模拟前端电路的AD8295和AD8275、ADC AD7687以及基准电压源ADR431组成,只需少量外部元件进行去耦等。
仪表放大器(集成于 AD8295)
AD8295中集成的仪表放大器(IA)的工作条件设置为1倍的增益。如果应用需要更高的增益,可以增加一个适当的外部增益电阻。AD8295的电源为±15 V,完全支持±10 V工业输入信号电平。仪表放大器的基准电压引脚接地,因此AD8295的输出以地为基准。
差动放大器/衰减器( AD8275)
AD8295仪表放大器输出单端信号,最大幅度为±10 V。必须将该信号衰减并转换到适当的电平,以便驱动AD7687 ADC。如果在AD8295的输出端直接使用一个简单的阻性电平衰减器级,将无法提供差分输出来驱动ADC。AD8275 (G = 0.2)电平转换器是一个差动放大器,内置精密激光调整匹配薄膜电阻,可确保低增益误差、低增益漂移(最大1 ppm/°C)和高共模抑制(80 dB)特性。AD8275具有+3.3 V至+15 V的宽电源电压范围,采用+5 V单电源供电时,输入电压范围宽达−12.3 V至+12 V。
图1所示电路使用一个平衡差动放大器,它由AD8275 (U2)和AD8295中的一个非专用运放(U1-C)组成。此运放(U1-C)用于反转AD8275的正输出(从而提供互补的负输出),并且驱动 AD8275的REF1和REF2引脚。差分输出的输出共模电压(VCOM = 1.25 V)由连接到2.5 V基准电压源的10 kΩ外部电阻分压器产生,并且应用于U1-C的同相输入。描述电路操作的方程式如下:
VOUTP + VOUTN = 2 &TImes; VCOM
VOUTP = VOUTN + 0.2 &TImes; VIN
VOUTP = VCOM + 0.1 &TImes; VIN
VOUTN = VCOM − 0.1 × VIN
根据以上方程式,对于±10 V输入电压,ADC的各输入电压(VOPTP和VOUTN)摆幅为0.25 V至2.25 V,彼此180°反相,共模电压为1.25 V。因此,差分信号使用ADC可用差分输入范围5 V中的4 V。
ADR431是2.5 V XFET系列基准电压源,具有低噪声、高精度和低温度漂移性能。ADR431驱动电阻分压器和AD7687 ADC的基准电压输入。ADR431输出由AD8295中的另一个非专用运放(U1-B)缓冲,并且驱动AD7687的电源(VDD)。由两个33 Ω电阻和一个1.5 nF电容组成的一个单极点RC滤波器充当AD7687的3 MHz截止抗混叠和降噪滤波器。
布局布线考虑
该电路或任何高速/高分辨率电路的性能都高度依赖于适当的PCB布局,包括但不限于电源旁路、信号路由以及适当的电源层和接地层。有关PCB布局的详情,请参见指南 Tutorial MT-031、 MT-101和“高速印刷电路板布局实用指南”一文。

图2. Kaiser窗口(参数 = 20)、20 kHz输入、250 kSPS采样速率下的FFT
系统性能
交流性能在系统级进行测试,AD7687的采样速率为250 kSPS。图2所示为5 V p-p 20 kHz输入时的FFT测试结果。图3所示为10 V DC输入时的ADC输出直方图。
评估软件产生的结果如下:
SNR = 85.531 dBFS (不含谐波)
信纳比(SINAD) = 81.432 dBFS.
SFDR = 77.403 dBFS.
THD = –76.479 dBFS

图3. 10 V DC输入时的直方图,15,000个样本
。 (本文来源网友上传,如有侵权,可联系管理员删除)
版权声明:网站转载的所有的文章、图片、音频视频文件等资料的版权归版权所有人所有。如果本网所选内容的文章作者及编辑认为其作品不宜公开自由传播,或不应无偿使用,请及时联络我们,采取适当措施,避免给双方造成不必要的经济损失。