电路功能与优势
图1中的电路在功能上可提供高精度、多通道的热电偶测量解决方案。精确的热电偶测量要求采用精密元件组成信号链,该信号链应当能够放大微弱的热电偶电压、降低噪声、校正非线性度并提供精确的基准结补偿(通常称为冷结补偿)。本电路可解决热电偶温度测量的全部这些难题,并具有±0.25°C以上的精度。
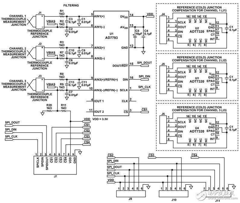
图1中的电路显示将3个K型热电偶连接至AD7793 精密24位 Σ-Δ型模数转换器(ADC),以测量热电偶电压。由于热电偶是一种差分器件而不是绝对式温度测量器件,必须知道基准结温才能获得精确的绝对温度读数。这一过程被称为基准结补偿,通常称为冷结补偿。本电路中ADT7320 精密16位数字温度传感器用于冷结基准测量,并提供所需的精度。
对于需要在热电偶提供的宽温度范围内进行高性价比的精确温度测量而言,这类应用非常受欢迎。

图1. 多通道热电偶测量系统(原理示意图:未显示所有连接和去耦)
电路描述
图1中的电路专为使用 ADT7320同时测量3个K型热电偶而设计,该器件是一款±0.25°C精度、16位数字SPI温度传感器。
热电偶电压测量
采用热电偶连接器和滤波器作为热电偶与AD7793 ADC之间的接口。每个连接器(J1、J2和J3)都直接与一组差分ADC输入相连。AD7793输入端的滤波器可在信号到达ADC的AIN (+)和AIN(−)输入端之前降低任何热电偶引脚上叠加的噪声。AD7793集成片内多路复用器、缓冲器和仪表放大器,可放大来自热电偶测量结点的小电压信号。
冷结测量
ADT7320精密16位数字温度传感器用于测量基准结(冷结) 温度,其精度在−20°C至+105°C温度范围内可达±0.25°C。 ADT7320完全经过工厂校准,用户无需自行校准。它内置一个带隙温度基准源、一个温度传感器和一个16位Σ-Δ型 ADC, 用来测量温度并进行数字转换, 分辨率为 0.0078°C。
AD7793和ADT7320均利用系统演示平台 (EVAL-SDP-CB1Z)由SPI接口控制。此外,这两个器件也可由微控制器控制。

图2. EVAL-CN0172-SDPZ电路评估板
图2显示带有3个K型热电偶连接器的EVAL-CN0172-SDPZ 电路评估板,AD7793 ADC, 和ADT7320温度传感器安装在独立柔性印刷电路板(PCB)的两块铜触点之间,用于基准温度测量。
图3是安装在独立柔性PCB上ADT7320 的侧视图,该器件插在热电偶连接器的两个铜触点之间。图3中的柔性PCB更薄更灵活,比小型FR4类PCB更具优势。它允许将ADT7320巧妙地安装在热电偶连接器的铜触点之间,以尽量降低基准结和ADT7320之间的温度梯度。

图3. 安装在柔性PCB上ADT7320的侧视图
小而薄的柔性PCB还能使ADT7320快速响应基准结的温度变化。 图4显示ADT7320的典型热响应时间。

图4.ADT7320典型热响应时间
本解决方案较为灵活,允许使用其它类型的热电偶,如J型或T型。本电路笔记中,选择K型是考虑到其更受欢迎。实际选用的热电偶具有裸露尖端。测量结位于探头壁(probe wall)之外,暴露在目标介质中。
采用裸露尖端的优势在于,它能提供最佳的热传导率、具有最快的响应时间,并且成本低、重量轻。不足之处是容易受到机械损坏和腐蚀的影响。因此,不适合用于恶劣环境。但在需要快速响应时间的场合下,裸露尖端是最佳选择。若在工业环境中使用裸露尖端,则可能需对信号链进行电气隔离。
不同于传统的热敏电阻或电阻式温度检测器(RTD), ADT7320是一款完全即插即用型解决方案,无需在电路板装配后进行多点校准,也不会因校准系数或线性化程序而消耗处理器或内存资源。它在3.3 V电源下工作时的典型功耗仅为700μW,避免了会降低传统电阻式传感器解决方案精度的自发热问题。
精密温度测量指南
下列指南可确保ADT7320精确地测量基准结温度。
电源: 如果ADT7320 从开关电源供电,可能产生50 kHz以上的噪声,从而影响温度精度。为了防止此缺陷,应在电源和VDD. 之间使用RC滤波器。所用元件值应仔细考虑,确保电源噪声峰值小于1 mV
去耦: ADT7320必须在尽可能靠近 VDD 的地方安装去耦电容,以确保温度测量的精度。推荐使用诸如0.1μF高频陶瓷类型的去耦电容。此外,还应使用一个低频去耦电容与高频陶瓷电容并联,如10μF 至 50 μF 钽电容。
最大热传导: 塑料封装和背面的裸露焊盘(GND)是基准结至ADT7320的主要热传导路径。由于铜触点与ADC输入相连,本应用中无法连接背面的焊盘,因为这样做会影响 ADC输入的偏置。
精密电压测量指南
下列指南可确保AD7793精确地测量热电偶测量结电压。
去耦:AD7793必须在尽可能靠近AVDD 和 DVDD 的地方安装去耦电容,以确保电压测量的精度。应将0.1 μF陶瓷电容与 10 μF钽电容并联,将AVDD去耦到GND。此外,应将0.1 μF 陶瓷电容与10 μF钽电容并联,将DVDD去耦到GND。 更多有关接地、布局和去耦技巧的讨论,请参考Tutorial MT-031 和 Tutorial MT-101
滤波:AD7793的差分输入用于消除热电偶线路上的大部分共模噪声。例如,将组成差分低通滤波器的R1、R2和C3放置在AD7793的前端,可消除热电偶引脚上可能存在的叠加噪声。C1和C2电容提供额外的共模滤波。由于输入ADC 的AIN(+)和AIN(−)均为模拟差分输入,因此,模拟调制器中的多数电压均为共模电压。AD7793的出色共模抑制(100 dB最小值)进一步消除了这些输入信号中的共模噪声。
本方案解决的其它难题
下文总结了本解决方案是如何解决前文提到的其它热电偶相关难题。
热电偶电压放大:热电偶输出电压随温度的变化幅度只有每度几μV。本例中所用的常见K型热电偶变化幅度为41μV/°C。这种微弱的信号在ADC转换前需要较高的增益级。 AD7793内部可编程增益放大器(PGA)能够提供的最大增益为128。本解决方案中的增益为16,允许AD7793通过内部基准电压源运行内部满量程校准功能。
热电偶的非线性校正:AD7793在宽温度范围(–40°C至 +105°C)内具有出色的线性度,不需要用户校正或校准。为了确定实际热电偶温度,必须使用美国国家标准技术研究院(NIST)所提供的公式将参考温度测量值转换成等效热电电压。此电压与AD7793测量的热电偶电压相加,然后再次使用NIST公式将两者之和再转换回热电偶温度。另一种方法涉及查找表的使用。然而,若要获得同样的精度,查找表的大小可能有较大不同,这就需要主机控制器为其分配额外的存储资源。所有处理均通过EVAL-SDP-CB1Z以软件方式完成。EVAL-SDP-CB1Z以软件方式完成。
欲查看完整原理图和EVAL-CN0172-SDPZ的布局,请参见 CN-0172设计支持包:www.analog.com/CN0172-DesignSupport.
常见变化
对于精度要求较低的应用,可用 AD7792 16位Σ-Δ 型ADC 替代 AD7793 24位Σ-Δ 型ADC对于基准温度测量,可用 ±0.5°C精度的 ADT7310 数字温度传感器替代±0.25°C精度的 ADT7320. AD7792和ADT7310均集成SPI接口。
。 (本文来源网友上传,如有侵权,可联系管理员删除)
版权声明:网站转载的所有的文章、图片、音频视频文件等资料的版权归版权所有人所有。如果本网所选内容的文章作者及编辑认为其作品不宜公开自由传播,或不应无偿使用,请及时联络我们,采取适当措施,避免给双方造成不必要的经济损失。