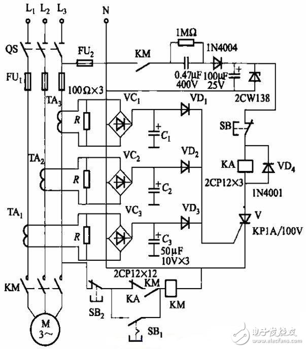
今天介绍的是电动机的过电流保护电路。当电动机启动时,按一下带锁扣式按钮SBi,启动结束(电动机转速稳定后),再按一下SBi,这时保护电路投入工作。对于启动时间短(如数秒)的电动机,SBi也可采用普通按钮,只要在启动过程中一直按着SBi即可。
电动机正常运行时,电流互感器TAi~TA3次级感应电势较小,也不足以触发晶闸管V。如下图所示。

。 (本文来源网友上传,如有侵权,可联系管理员删除)
版权声明:网站转载的所有的文章、图片、音频视频文件等资料的版权归版权所有人所有。如果本网所选内容的文章作者及编辑认为其作品不宜公开自由传播,或不应无偿使用,请及时联络我们,采取适当措施,避免给双方造成不必要的经济损失。