随着经济的发展,人们对防盗、防劫、防火安保设备的需求量日益增长,报警系统也从原来的简单化、局部化向智能化、集成化发展。本文设计防盗系统采用STC12C系列高速1T单片机作为整个系统的控制核心,负责对家居内的各个智能防盗模块进行控制管理,若出现异常物体或者人员侵入,在启动高强度声音报警的同时,还可控制本系统中的GPRS模块SIM300自动拨打设定的电话或者发短信,实现系统的智能远程报警。同时远程控制者还可以通过拨打电话或者短信方式实现对系统的远程控制,对受控区域的电源或者其他装置进行控制管理,从而保护个人的家居财产安全。
GPRS通信模块
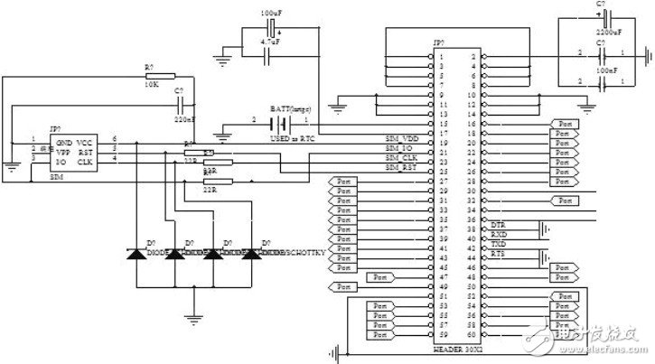
本设计中GPRS通信模块采用的是一款三频段GSM/GPRS模块SIM300,适合于开发一些GSM/GPRS的无线应用产品,如移动电话,无线MODEM卡,无线POS机,无线抄表系统以及无线数据传输业务,应用范围十分广泛。SIM300模块具有一套标准的AT命令集,包括一般命令、呼叫控制命令、网络服务相关命令、电话本命令、短消息命令、GPRS命令等。本系统中与GPRS模块的通信是通过串口连接,通过处理相应的AT命令,来实现系统与模块的数据通信。
系统中,设计了SIM300模块的相应接口板电路,该电路板主要包含SIM300必要的外围电路,4.2V电压供给电路 , SIM卡座以及RS232串口电平转换电路等。该模块的功能是通过天线接收手机发过来的信息,并且通过串口与系统主控CPU通信,判断是否有读短信的AT命令,等单片机读短信成功,由系统主控CPU对信息进行分析后,做出相应的处理。同样,当防盗系统发出报警信号时,由主控CPU发出报警,控制SIM300模块实现相应的信息发送。

图2SIM300外围接口部分电路

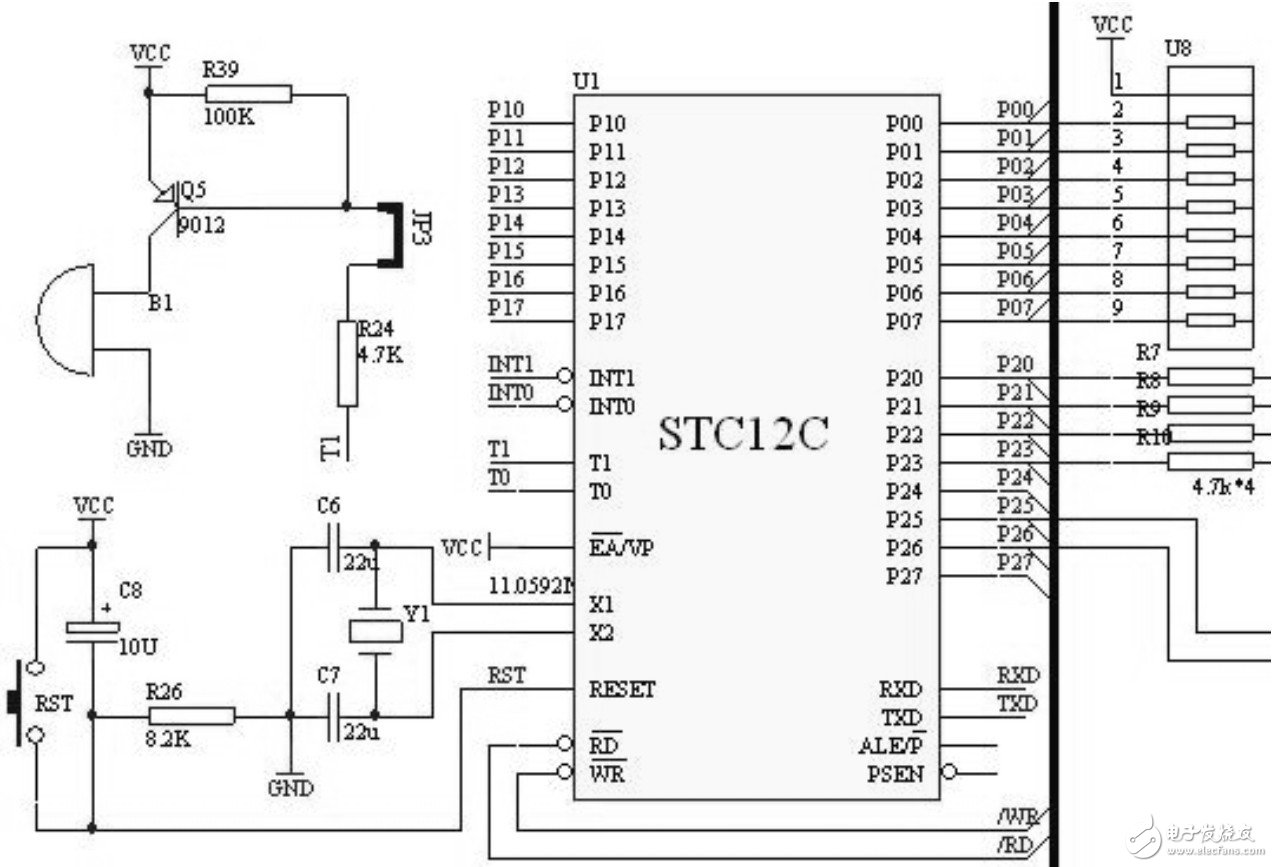
图3CPU及部分外围电路
设计采用增强型高速单片机STC12LE5A60S2为控制器、SIM300作为无线GPRS通信模块来实现系统的远程控制,各防盗模块与系统之间采用无线模块来通信。系统可通过拨打指定手机或发送短信等方式,实现对各个模块的状态进行远程监控,异常情况可远程操作该系统实施相应的控制命令。
。 (本文来源网友上传,如有侵权,可联系管理员删除)
版权声明:网站转载的所有的文章、图片、音频视频文件等资料的版权归版权所有人所有。如果本网所选内容的文章作者及编辑认为其作品不宜公开自由传播,或不应无偿使用,请及时联络我们,采取适当措施,避免给双方造成不必要的经济损失。