KJ006/ KJ005 可控硅移相电路主要适用于交流电直接供电的双向可控硅或反并联可控硅线路的交流相位控制。能由交流电网直接供电并无需外加同步讯号、输出脉冲变压器和外接直流工作电源,并且能直接与可控硅控制极耦合触发。具有锯齿波线性好、移相范围宽、控制方式简单、有失交保护、输出电流大等优点,是交流调光、调压的理想电路。KJ006/ KJ005 可控硅移相电路同样也适用于半控或全控桥式线路的相位控制,也可直流供电使用。
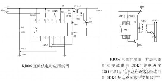
电路工作原理:KJ006/ KJ005 可控硅移相电路由同步检测、锯齿波形成电路、移相电压和锯齿波电压综合比较放大电路、功率放大电路和失交保护电路等部分构成。KJ006/ KJ005 可控硅移相电路电路原理图和应用实例见下图。锯齿波斜率决定于R7、RWl和C1的数值,锯齿波的斜率由5脚的外接电位器RW1调节。锯齿波与6脚引入的移相控制电压进行比较放大,由外接R5、C2微分。脉冲宽度,由R5、C2的值决定,再经功率放大由9脚输出,能够得到200mA的输出负载能力。当来自比较放大器的单稳微分触发脉冲没有触发可控硅时,从14脚得到的检测信号通过11脚与12脚的联接,使9脚又输出脉冲给可控硅,这样对电感性负载是非常有利的,此外也能起到锯齿波与移相控制电压失交保护的作用。如果单纯为了失交保护时,从2脚也可输出失交脉冲,将2脚与12脚相接也能起到失交保护作用。用直流供电时应用实例及扩展电流应用图见下页。对不同的电网电压,KJ006电路同步限流电阻R1的选择按下式,R1=电网电压/3~4&TImes;X100Ω

封装形式:
KJ006/ KJ005 可控硅移相电路采用双列直插C-16白瓷和黑瓷两种外壳封装,外形尺寸按电子工业部颁标准《半导体集成电路外形尺寸》SIll00-76。
典型接线图及各点波形


电参数:
电源电压:自生直流电源电压+12V~14V;外接直流电源电压+15V,允许波动±5%(±10%时功能正常)。电源电流:≤12mA。同步电压:≥10V(有效值)。同步输入端允许最大同步电流:6mA(有效值)移相范围≥1700 (同步电压220V,同步输入电阻5lkΩ)。移相输人端偏置电流≤10μA。
输出脉冲:
(1)宽度:100μS—2mS(通过改变脉宽阻容元件达到)。(2)幅度:≥13V(电源电压15V时)。(3)最大输出能力:200mA(吸收脉冲电流)。(4)输出管压:BVCEO≥18V(测试条件Ie≤100μA)。
锯齿波幅度:7~8.5V。可控硅检测端最大输入电流:6mA(有效值)正负半周脉冲相位不均衡:≤土30。KJ005是KJ006的一种特殊情况。没有自生电源,不能直接用在交流供电的场合。没有失交检测输入(14脚空)和输出端M(11脚空)用2脚和12脚相接,起到失交保护作用。KJ005采用直流供电应用,和KJ006相同。
。 (本文来源网友上传,如有侵权,可联系管理员删除)
版权声明:网站转载的所有的文章、图片、音频视频文件等资料的版权归版权所有人所有。如果本网所选内容的文章作者及编辑认为其作品不宜公开自由传播,或不应无偿使用,请及时联络我们,采取适当措施,避免给双方造成不必要的经济损失。