变频器的电路一般由整流、中间直流环节、逆变和控制4个部分组成。整流部分为三相桥式不可控整流器,逆变部分为IGBT三相桥式逆变器,且输出为PWM波形,中间直流环节为滤波、直流储能和缓冲无功功率。变频器是利用电力半导体器件的通断作用将工频电源变换为另一频率的电能控制装置。我们现在使用的变频器主要采用交—直—交方式(VVVF变频或矢量控制变频),先把工频交流电源通过整流器转换成直流电源,然后再把直流电源转换成频率、电压均可控制的交流电源以供给电动机。变频器的电路一般由整流、中间直流环节、逆变和控制4个部分组成。整流部分为三相桥式不可控整流器,逆变部分为IGBT三相桥式逆变器,且输出为PWM波形,中间直流环节为滤波、直流储能和缓冲无功功率。

变频器控制原理图设计分析:
1)首先确认变频器的安装环境;
I. 工作温度。变频器内部是大功率的电子元件,极易受到工作温度的影响,产品一般要求为0~55℃,但为了保证工作安全、可靠,使用时应考虑留有余地,最好控制在40℃以下。在控制箱中,变频器一般应安装在箱体上部,并严格遵守产品说明书中的安装要求,绝对不允许把发热元件或易发热的元件紧靠变频器的底部安装。II.环境温度。温度太高且温度变化较大时,变频器内部易出现结露现象,其绝缘性能就会大大降低,甚至可能引发短路事故。必要时,必须在箱中增加干燥剂和加热器。在水处理间,一般水汽都比较重,如果温度变化大的话,这个问题会比较突出。III.腐蚀性气体。使用环境如果腐蚀性气体浓度大,不仅会腐蚀元器件的引线、印刷电路板等,而且还会加速塑料器件的老化,降低绝缘性能。IV. 振动和冲击。装有变频器的控制柜受到机械振动和冲击时,会引起电气接触不良。淮安热电就出现这样的问题。这时除了提高控制柜的机械强度、远离振动源和冲击源外,还应使用抗震橡皮垫固定控制柜外和内电磁开关之类产生振动的元器件。设备运行一段时间后,应对其进行检查和维护。V. 电磁波干扰。变频器在工作中由于整流和变频,周围产生了很多的干扰电磁波,这些高频电磁波对附近的仪表、仪器有一定的干扰。因此,柜内仪表和电子系统,应该选用金属外壳,屏蔽变频器对仪表的干扰。所有的元器件均应可靠接地,除此之外,各电气元件、仪器及仪表之间的连线应选用屏蔽控制电缆,且屏蔽层应接地。如果处理不好电磁干扰,往往会使整个系统无法工作,导致控制单元失灵或损坏。
2)变频器和电机的距离确定电缆和布线方法;
I.变频器和电机的距离应该尽量的短。这样减小了电缆的对地电容,减少干扰的发射源。II.控制电缆选用屏蔽电缆,动力电缆选用屏蔽电缆或者从变频器到电机全部用穿线管屏蔽。III. 电机电缆应独立于其它电缆走线,其最小距离为500mm。同时应避免电机电缆与其它电缆长距离平行走线,这样才能减少变频器输出电压快速变化而产生的电磁干扰。如果控制电缆和电源电缆交叉,应尽可能使它们按90度角交叉。与变频器有关的模拟量信号线与主回路线分开走线,即使在控制柜中也要如此。IV.与变频器有关的模拟信号线最好选用屏蔽双绞线,动力电缆选用屏蔽的三芯电缆(其规格要比普通电机的电缆大档)或遵从变频器的用户手册。
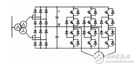
3)变频器控制原理图;
I. 主回路:电抗器的作用是防止变频器产生的高次谐波通过电源的输入回路返回到电网从而影响其他的受电设备,需要根据变频器的容量大小来决定是否需要加电抗器;滤波器是安装在变频器的输出端,减少变频器输出的高次谐波,当变频器到电机的距离较远时,应该安装滤波器。虽然变频器本身有各种保护功能,但缺相保护却并不完美,断路器在主回路中起到过载,缺相等保护,选型时可按照变频器的容量进行选择。可以用变频器本身的过载保护代替热继电器。 II.控制回路:具有工频变频的手动切换,以便在变频出现故障时可以手动切工频运行,因输出端不能加电压,固工频和变频要有互锁。
4)变频器的接地;
变频器正确接地是提高系统稳定性,抑制噪声能力的重要手段。变频器的接地端子的接地电阻越小越好,接地导线的截面不小于4mm,长度不超过5m。变频器的接地应和动力设备的接地点分开,不能共地。信号线的屏蔽层一端接到变频器的接地端,另一端浮空。变频器与控制柜之间电气相通。
常见故障分析:
1) 过流故障:过流故障可分为加速、减速、恒速过电流。其可能是由于变频器的加减速时间太短、负载发生突变、负荷分配不均,输出短路等原因引起的。这时一般可通过延长加减速时间、减少负荷的突变、外加能耗制动元件、进行负荷分配设计、对线路进行检查。如果断开负载变频器还是过流故障,说明变频器逆变电路已环,需要更换变频器。2)过载故障:过载故障包括变频过载和电机过载。其可能是加速时间太短,电网电压太低、负载过重等原因引起的。一般可通过延长加速时间、延长制动时间、检查电网电压等。负载过重,所选的电机和变频器不能拖动该负载,也可能是由于机械润滑不好引起。如前者则必须更换大功率的电机和变频器;如后者则要对生产机械进行检修。3)欠压:说明变频器电源输入部分有问题,需检查后才可以运行。
。 (本文来源网友上传,如有侵权,可联系管理员删除)
版权声明:网站转载的所有的文章、图片、音频视频文件等资料的版权归版权所有人所有。如果本网所选内容的文章作者及编辑认为其作品不宜公开自由传播,或不应无偿使用,请及时联络我们,采取适当措施,避免给双方造成不必要的经济损失。