• 周五. 10 月 17th, 2025

最有趣生动的方法讲解最详细三极管知识,值得你一看-电子技术方案|电路图讲解

4 月 21, 2019

  三极管是最重要的电子元器件之一,成功制作世界上第一只半导体三极管的美国物理学家约翰·巴丁(JohnBardeen)和他的同事布拉顿(Brattain)并获得了诺贝尔物理学奖。三极管的看家本领,是可以以小电流控制大电流,颇似武侠中的四两拨千斤。   下图是2种类型的三极管NPN和PNP的结构和电路图符号示意。    

 positive 正极 [?p?z?t?v]   negative负极 [?neg?t?v]   很多初学者都会认为三极管是两个PN结的简单凑合。这种想法是错误的,两个二极管的组合不能形成一个三极管。我们以NPN型三极管为例(见图2),两个PN结共用了一个P区——基区,基区做得极薄,只有几微米到几十微米,正是靠着它把两个PN结有机地结合成一个不可分割的整体,它们之间存在着相互联系和相互影响,使三极管完全不同于两个单独的PN结的特性。三极管在外加电压的作用下,形成基极电流、集电极电流和发射极电流,成为电流放大器件。   、三极管的电流放大作用与其物理结构有关,三极管内部进行的物理过程是十分复杂的,初学者暂时不必去深入探讨。从应用的角度来讲,可以把三极管看作是一个电流分配器。一个三极管制成后,它的三个电流之间的比例关系就大体上确定了(见图3),用式子来表示就是   电路图   β和α称为三极管的电流分配系数,其中β值大家比较熟悉,都管它叫电流放大系数。三个电流中,有一个电流发生变化,另外两个电流也会随着按比例地变化。例如,基极电流的变化量ΔIb=10μA,β=50,根据ΔIc=βΔIb的关系式,集电极电流的变化量ΔIc=50×10=500μA,实现了电流放大。     三极管自身并不能把小电流变成大电流,它仅仅起着一种控制作用,控制着电路里的电源,按确定的比例向三极管提供Ib、Ic和Ie这三个电流。为了容易理解,我们还是用水流比喻电流(见图4)。这是粗、细两根水管,粗的管子内装有闸门,这个闸门是由细的管子中的水量控制着它的开启程度。如果细管子中没有水流,粗管子中的闸门就会关闭。注入细管子中的水量越大,闸门就开得越大,相应地流过粗管子的水就越多,这就体现出“以小控制大,以弱控制强”的道理。由图可见,细管子的水与粗管子的水在下端汇合在一根管子中。三极管的基极b、集电极c和发射极e就对应着图4中的细管、粗管和粗细交汇的管子。电路见图5,若给三极管外加一定的电压,就会产生电流Ib、Ic和Ie。调节电位器RP改变基极电流Ib,Ic也随之变化。由于Ic=βIb,所以很小的Ib控制着比它大β倍的Ic。Ic不是由三极管产生的,是由电源VCC在Ib的控制下提供的,所以说三极管起着能量转换作用。

   电路图   电路图   

 如图,假设三极管的&beta;=100,RP=200K,此时的Ib=6v/(200k+100k)=0.02mA,Ic=&beta;Ib=2mA 当RP=0时,Ib=6v/100k=0.06mA,Ic=&beta;Ib=2mA。以上两种状态都符合Ic=&beta;Ib,我们说,三极管处于”放大区”。假设RP=0,Rb=1k,此时,Ib=6v/1k=6mA按Ic=&beta;Ib计算,Ic应等于600mA,而实际上,由于图中300欧姆限流电阻(Rc)的存在,实际上Ic=(6v/300)&asymp;20mA,此时,Ic&ne;&beta;Ib,而且,Ic不再受Ib控制,即处于”饱和区”,当RP和Rb大到一定程度,使Ube<死区电压(硅管约0.5V,锗管约0.3)此时be结处于不导通状态,Ib=0,则Ic=0,处于”截止区”。   电路图   

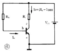
 单纯从&ldquo;放大&rdquo;的角度来看,我们希望&beta;值越大越好。可是,三极管接成共发射极放大电路(图6)时,从管子的集电极c到发射极e总会产生一有害的漏电流,称为穿透电流Iceo,它的大小与&beta;值近似成正比,&beta;值越大,Iceo就越大。Iceo这种寄生电流不受Ib控制,却成为集电极电流Ic的一部分,Ic=&beta;Ib+Iceo。值得注意的是,Iceo跟温度有密切的关系,温度升高,Iceo急剧变大,破坏了放大电路工作的稳定性。所以,选择三极管时,并不是&beta;越大越好,一般建议取硅管&beta;为40~150,锗管取40~80。   电路图  

 在常温下,锗管的穿透电流比较大,一般由几十微安到几百微安,硅管的穿透电流就比较小,一般只有零点几微安到几微安。Iceo虽然不大,却与温度有着密切的关系,它们遵循着所谓的&ldquo;加倍规则&rdquo;,这就是温度每升高10℃,Iceo约增大一倍。例如,某锗管在常温20℃时,Iceo为20&mu;A,在使用中管芯温度上升到50℃,Iceo就增大到160&mu;A左右。测量Iceo的电路很简单(图7),三极管的基极开路,在集电极与发射极之间接入电源VCC(6V),串联在电路中的电流表(可用万用表中的0.1mA挡)所指示的电流值就是Iceo。   电路图                                          

。 (本文来源网络整理,目的是传播有用的信息和知识,如有侵权,可联系管理员删除)

版权声明:网站转载的所有的文章、图片、音频视频文件等资料的版权归版权所有人所有。如果本网所选内容的文章作者及编辑认为其作品不宜公开自由传播,或不应无偿使用,请及时联络我们,采取适当措施,避免给双方造成不必要的经济损失。