• 周五. 10 月 17th, 2025

DIY | 这是一篇三灯逻辑笔电路制作教程-电子技术方案|电路图讲解

6 月 1, 2019

 

 

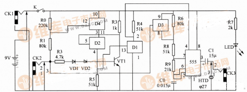
三灯逻辑笔电路制作(一) 如图所示是由四双向模拟开关CD4066D1~D4)以及555时基电路组成的多用逻辑笔电路图,该电路可以实现三态声频逻辑笔、声响信号校对器、音频信号发生器、555时基电路监测仪以及门笛五种功能。   电路图 

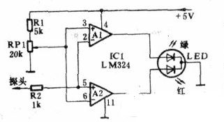
 多用途逻辑笔电路   在图中,D2、D4与R5构成两输入端与门,D1与R3、R4、VT1构成非门。555电路与R8、R9、R6、C0等构成多谐振荡器,VD1、VD2和VT1的b-e结形成测量外电路逻辑电平时的基准电平。   该电路能实现5种功能。   (1)三态声频逻辑笔。将带有双引线的插头插入CK2、CK3,分别作为逻辑笔的正负极。测量时,当发出高音时,表明为高电平;发出低音时,表明为低电平;没有声音发出时,表明没有接上。   当正探针接高电平时,负探针与被测电路“地”连接,则VT1振荡频率为:   电路图   (2)声响信号校对器。将短针短接。   (3)音频信号发生器。由CK3输出音频信号。   (4)555时基电路检测仪。   (5)当用扬声器代替压电蜂鸣器时,可作为门笛使用。   三灯逻辑笔电路制作(二) 本文介绍一种简单的逻辑笔(亦称逻辑电平测试器)电路。这种逻辑笔电路(见图)可用来对遥控系统中数字信号电平的高低和脉冲信号的有无进行准确的检测。IC1使用四电压比较集成电路LM324中的两个比较器。将Al和A2同相输入端和反相输入端彼此相连,接成两组输入端。一组接Rl和RP1组成的分压电路,作门限基准电压输入端。调节电位器RP1,可使门限电压在0V~4/5vDD之间变化,以适应对DTI_、TTL或CMOS等逻辑电平的选择和测试。另一组输入端经R2耦合接被测点。由电压比较器的工作原理可知:当同相输入端电位高于反相输入端电位时,比较器输出高电平,反之,当同相输入端电位低于反相输入端电位时,比输器输出低电平。若被测电平为高电平(与RP1设置的门限电压相比较),Al的②脚电位高于③脚,①脚输出为低电平,复合发光管LED中的绿管截止不亮。同时,A2的⑤脚电位高于⑥脚,⑦脚输出高电平,红发光管导通发光。同理,若被测点为低电平时,①脚输出高电平,⑦脚输出低电平,绿发光管点亮,红发光管截止。如果输入端为脉冲信号,Al和A2就轮流输出高电平或低电平。脉冲频率较低时,可看见红、绿发光管交替闪亮;频率较高时,发光管呈桔红色,指示被测点有脉冲信号。   电路图                                              

样商城-电子元器件采购网(www.oneyac.com)是本土元器件目录分销商,采用“小批量、现货、样品”销售模式,致力于满足客户多型号、高质量、快速交付的采购需求。唯样自建高效智能仓储,拥有自营库存超50,000种,提供一站式正品现货采购、个性化解决方案、选项替代等多元化服务。 (本文来源网络整理,目的是传播有用的信息和知识,如有侵权,可联系管理员删除)

版权声明:网站转载的所有的文章、图片、音频视频文件等资料的版权归版权所有人所有。如果本网所选内容的文章作者及编辑认为其作品不宜公开自由传播,或不应无偿使用,请及时联络我们,采取适当措施,避免给双方造成不必要的经济损失。