• 周五. 10 月 17th, 2025

自动工具改进开关稳压器的响应频率-原理图|技术方案

3 月 27, 2019

对于电源设计经验不足的系统设计人员来说,开关稳压器稳定性这一话题也许看上去让人有些望而怯步。其实,确保稳压器的稳定性的最简单方法就是使用一款具有内在稳定性的转换器,比如说迟滞型转换器。然而,由于它们不断变化的开关频率,会导致与开关噪声过滤相关的其它问题。另外一个选择就是内部补偿稳压器。这种类型的稳压器适用于很多设计,不过通常情况下不支持比6A高太多的负载电流,对于降压稳压器来说也是如此。当需要更加精密的电源时,就需要具有外部补偿的稳压器了。

幸运的是,诸如TI的WEBENCH Power Designer的设计工具包括补偿组件的选型。还有几款工具包含一些有助于对稳压器的稳定性进行评估的信息,像估算出的相位裕量,和/或者显示波特图的电气仿真,和/或者瞬态响应。

不过,如果必须更换关键电路图组件的话,该怎么办呢?补偿变化如何匹配呢?此外,不同设计工具对这些问题的处理是不同的。WEBENCH电源设计工具包括一个可以轻松更新补偿的全新补偿设计选项,这个功能甚至可以实现更快的响应或更好的相位裕量。这篇文章将提供一个设计示例,为您演示如何使用补偿设计工具,以及获得所需瞬态响应和稳定性的不同选项。

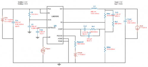
在我们的示例中,我们用WEBENCH电源设计工具创建一个具有LM21215A-1的电源设计。输入电压为3V至5V,12A电流时的输出电压为1V。设计完成时,在33.1kHz的交叉频率上显示出相位裕量为45.1°的运行值。45°周围的相位裕量还不错,表明快速响应与瞬态响应内最小过冲的均衡(图1和2)。

 

图1.具有由Cc1、Rc1和Cc2组成的外部补偿网络的降压开关稳压器。

 

图2.图1中开关稳压器的频率响应 (a) 和同一开关稳压器的负载瞬态响应 (b)。

 

。 (本文来源网络整理,目的是传播有用的信息和知识,如有侵权,可联系管理员删除)

版权声明:网站转载的所有的文章、图片、音频视频文件等资料的版权归版权所有人所有。如果本网所选内容的文章作者及编辑认为其作品不宜公开自由传播,或不应无偿使用,请及时联络我们,采取适当措施,避免给双方造成不必要的经济损失。