• 周五. 10 月 17th, 2025

负电压电源设计的种类-原理图|技术方案

6 月 16, 2019

摘要:随着电子技术的提高,以及电子产品的发展,一些系统中经常会需要负电压为其供电。例如,在大功率变频器,会使用负电压为IGBT提供关断负电压;另外,在系统的运算放大器中,也会使用正负对称的偏置电压为其供电。如何产生一个稳定可靠的负电压已成为设计人员面临的关键问题。

负电压设计根据不同的负载电流有很多不同方案,以下是给出几种目前市面比较常见的负压方,可以根据不同用于场合使用合适的方案。

 

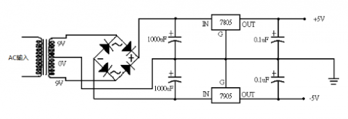
一、工频变压器输出正负电压

 

图1 工频变压器正负输出电源

 

各位看到图1的电路是否有很强的亲切感,是否能想起大学时接触电子设计时的情景?此经典电路优点比较明显,电路结构简单、极低干扰噪声、稳定性好;同时此电路也有缺点,输入交流电范围窄(一般是220VAC±5%),体积重量大;虽然此电路缺点明显目前还有一些应用采用此方案设计。此方案主要是利用变压器产生负电压在通过线性稳压器7905进行稳压。

二、电源模块输出负电压
由于电子元件制造工艺技术越来越好,能量损耗越来越低,这样一来越来越有利于电源的模块化发展。而且在设计上也能做到小型化,轻型化设计。
1、非隔离负压输出负电压

 

图2 非隔离稳压输出模块

图3 非隔离模块的正输出与负输出接法

 

如图3所示,此电源模块应用与常用的LM7805类似,而且不需要安装散热片。如上图,我们需要正负电压给运放等供电时,只需要两个ZY78xxS-500电源即可实现。

 

2、隔离电源模块输出正负电压

 

图4 隔离电源模块正负双路输出

  图5 E_URADD-6W电源典型应用

 

在电力、工业、通讯等对抗干扰性能要求较高的场合,一般需要对电源进行隔离处理来隔离从总电源端的干扰。此种应用时如果需要用到负电压,可以直接采用隔离电源模块直接输出正负电压给系统供电。

三、Buck-Boost拓扑设计输出负电压
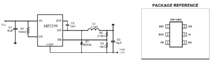
除了采用隔离模块方案,我们还可以选择芯片自己设计负压电路,此处我们介绍一下较容易设计的非隔离负压输出Buck-Boost电路。如图6此电路只需要主控芯片、电感、电容等芯片,目前MPS的DC-DC电源芯片都支持Buck-Boost的设计结构,可以根据不同输出电流选择合适型号。

 

  图6 Buck-Boost拓扑原理

 

从图6的拓扑中可以看出输入电压与输出电压极性是相反的,因此Buck-Boost拓扑结构又简称为倒相拓扑。图7是采用MP2359DT设计的-15V电源电路,MP2359DT是采用SOT23-6的封装,整个电路占用PCB面积较小。

 

图7 MP2359负电压输出电路

 

负电压设计方案多种多样,哪一个方案适合你的设计,还是需要综合考虑不同应用、不同技术要求而定。周立功旗下的致远电子拥有10多年的研发经验,可以提供多种负压产生方案的选择。周立功代理的MPS电源产品线,也有大量的DC-DC芯片可以选择。芯片耐压从5.5VDC覆盖到100VDC,输出电流从0.1A覆盖到25A,给你提供宽泛的选择。

。 (本文来源网络整理,目的是传播有用的信息和知识,如有侵权,可联系管理员删除)

版权声明:网站转载的所有的文章、图片、音频视频文件等资料的版权归版权所有人所有。如果本网所选内容的文章作者及编辑认为其作品不宜公开自由传播,或不应无偿使用,请及时联络我们,采取适当措施,避免给双方造成不必要的经济损失。