• 周六. 10 月 18th, 2025

各种电源的特性和用途-原理图|技术方案

4 月 23, 2019

电路板或格式电子系统中有各式各样的电源电路,隔离型、非隔离型,AC-DC、DC-DC,升压、降压等。他们都是为负载供电,负载多种多样,对应电源也多种多样。

1.1 电源系统概述

这里讲述的电源是指一种电能转换装置。我们常见电源家族如图1.1所示,不同颜色连接线代表不同形式的电能,它们之间存在电能之间的转换,而实现这种电能转换的装置就是电源。

 

电路图
图1 常见小功率电源家族一览图

从图1.1中可以看出,电池和市电一般不能直接给电子系统供电,使用时需要先将电能转换到Power 1线路中,以提供给其它模块使用。其中电池可以通过升压或者降压的DC-DC电源来实现电能转换,市电则可通过AC-DC电源进行电能转换。在对电源要求不高的场合,如充电器、LED驱动和电机驱动等应用中,Power 1可以直接提供电能。

在过去,AC-DC电源经常使用一个工频变压器降压,然后通过整流滤波电路的线性电源获得Power 1,这样的电源体积大,而且效率不高,随着开关电源技术的发展和推广,这种线性电源逐渐被开关电源代替,并得到广泛应用。许多公司陆续推出高性能的AC-DC电源芯片,如安森美(ON)推出的NCP1075,不仅效率高、静态功耗小,而且外围器件非常少、电路简单,如图2所示,即便是菜鸟,也能很快上手,大大减少了电源开发难度和缩短了开发周期,非常有利于开关电源的推广。
 

 

电路图

图2 NCP1075应用电路图

高效率准谐振(QR)和高功率因数单级PFC反激电源也得到了快速发展,可能很快成为AC-DC电源主流,代表IC如安森美(ON)推出的NCP1380和NCP1247。

在运算放大器、传感器、MCU和基准源等应用中,它们对电源的纹波噪声和电压精度要求比较高,那么Power 1还需要经过线性电源转换到Power 4线路中,才能给其系统供电。传统的线性电源一般采用NPN机构作为功率管,或者用达林顿结构功率管,如图3所示,LM7805和LM317等,都是这种结构。这类电源的特点是要求输入电压比输出电压高1.5V以上,如果输入输出压差比较小,这种稳压方式就不能满足要求了。

 

 

电路图

图3 使用NPN作为功率管

为了解决低压差问题,以PNP作为功率管的新品种——LDO应运而生。因为使用PNP作为功率管,如图4所示,所以输入输出的压差可以很低,如美国的MPS公司的MP20049,输入输出压差可以小到50mV,非常适用于低压差的场合。

 

电路图

图4 使用PNP做功率管

线性电源已经得到广泛应用。然而,随着电子技术的发展,电子产品对电源功率要求越来越大,那么线性电源就有些力不从心了。原因在于线性电源效率一般在60%以下,比较低,如果耗散功率大,还需要加散热片,致使它远远不能满足电子产品高集成化和高能效要求。就在这个时候,高性能的DC-DC开关电源便逐渐受到广大工程师的青睐。

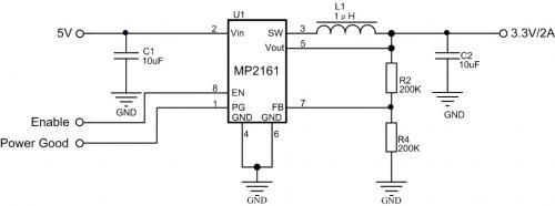
早期的DC-DC开关电源因其存在固有的开关噪声给许多工程师留下了不好的影响,正因如此,在选择电源的时候,很多人会首先考虑线性电源。然而,现代电子技术发展突飞猛进,DC-DC开关电源在性能上也取得了惊人的发展。尤其是美国的MPS公司,通过改进生产工艺和技术创新,推出各种应用场合的高品质电源IC,已经广泛用到智能手机、笔记本电脑、汽车和工业控制等行业。MPS最近推出的MP2161GJ电源方案,如图5所示,不仅电路简单,而且性能优越,纹波噪声可以小到20mV以下,频率可以到1.5MHz,输出电流到达2A,体积非常小,可以完美取代线性电源,成为高集成电源的理想方案。这正是将Power 1电能转换成Power 3电能的装置——高性能DC-DC开关电源。
 

 

电路图

图5 MP2161GJ应用电路

除了上述电源以外,在一些分布式供电系统和工控电源系统应用中,如图1.1右侧部分,它们需要消除共模干扰、浪涌冲击和实现安全隔离,电源隔离是必要的,所以就形成了Power 1电能换成Power 2电能的DC-DC隔离电源产业。然而隔离电源的设计难度大,制作工艺要求高,很难通过自行设计并做出理想的产品,因此,隔离电源模块化成为必然发展方向。一些公司如广州致远电子股份有限公司将隔离电源设计成模块,如图6所示,它们只有输入和输出端子,不需要加任何外围器件就可以直接使用,有效提高了嵌入式系统的开发效率。
 

 

电路图

图6 隔离电源模块

电源产品日新月异,只有充分了解各种电源,才能在电源应用中选择最合适的方案。
 

。 (本文来源网络整理,目的是传播有用的信息和知识,如有侵权,可联系管理员删除)

版权声明:网站转载的所有的文章、图片、音频视频文件等资料的版权归版权所有人所有。如果本网所选内容的文章作者及编辑认为其作品不宜公开自由传播,或不应无偿使用,请及时联络我们,采取适当措施,避免给双方造成不必要的经济损失。