• 周一. 10 月 13th, 2025

接口模块的组合应用方案-原理图|技术方案

6 月 1, 2019

隔离型的RS485、CAN、RS232等已越来越受市场认可。在实际的工程应用中,除可利用产品的隔离特性解决接地环路、提高系统的可靠性外,也可根据产品的特性,对不同功能的产品加以组合使用,方便高效的实现特定功能。

隔离模块主要用在各种串行总线或现场总线的收发端,通过隔离模块本身的隔离性能,断开地环路,提高共模抑制性能和抗干扰能力,应用如图1所示。
 

图 1接口隔离模块的应用

除使用隔离模块自己本身的性能外,对功能各异的隔离模块加以组合应用,可以扩展出形式多样,灵活多变的方案组合,如下文所述。

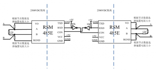
一、简易隔离RS485中继器
RS485的应用中,有时需对信号进行增强,或不同的RS485网络之间进行电气隔离,输入和输出都是RS485信号,此时需用到RS485的中继器。而基于RSM485系列,可快速搭建简易的隔离型RS485中继器,如图2 和图3所示。
 

图 2 简易隔离RS485中继器方案一

图 3 简易隔离RS485中继器方案二

方案一用的是内部支持自收发的RSM485PHT系列,UART端交叉连接即可。方案二用的是常规带收发控制引脚的隔离485,需多用非门电路对收发进行控制。

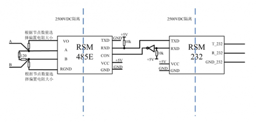
二、简易隔离RS232转RS485
在用RS232调试时,常需要直接跟RS485电路通信,此时需要将RS232转成RS485电平,同样推荐两个电路,都是基于隔离型的模块搭建,为调试串口提供隔离防护,如图4和图5所示。
 

图 4 简易隔离RS232转RS485方案一

图 5 简易隔离RS232转RS485方案二

方案一是使用普通的TTL转232电平IC做232到TTL的电平转换,隔离电压2500VDC,方案二是232端和485端均采用隔离模块,485到232端的隔离电压可高达5000VDC。

三、隔离型RS485转CAN方案
RS485和CAN虽然物理层都是差分传输,但因CAN多了更多的底层协议,两者不能通过简单的方式直接转换。此时,使用如图6所示的CSM100+RSM485模块方式,利用CSM100能将CAN转成UART数据,再用RSM485PHT将UART转成RS485电平,实现RS485转CAN的功能。


图 6 RS485转CAN

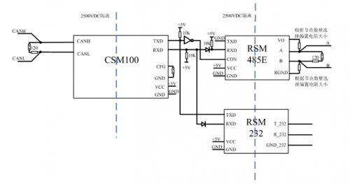
四、CAN转RS232和RS485
方案如图7所示,此方案除支持CAN到485的转换外,也方便用电脑通过RS232口调试CAN或485的数据,在某些小数据量的应用场合,甚至可通过UART端,将MCU的数据变成RS232、RS485、CAN三种接口数据进行通信,非常适合接口的扩展。

 


图 7 CAN转RS232、RS485

由上面介绍可知,基于ZLG的接口隔离模块,可非常灵活的实现很多单个模块完成不了的功能,结合合适的外围电路,尝试多种不同的组合,往往能达到意想不到的收获。

。 (本文来源网络整理,目的是传播有用的信息和知识,如有侵权,可联系管理员删除)

版权声明:网站转载的所有的文章、图片、音频视频文件等资料的版权归版权所有人所有。如果本网所选内容的文章作者及编辑认为其作品不宜公开自由传播,或不应无偿使用,请及时联络我们,采取适当措施,避免给双方造成不必要的经济损失。