• 周六. 10 月 18th, 2025

EMI 很低的高压充电泵-原理图|技术方案

6 月 26, 2019

背景信息

开关稳压器由于尺寸、输出灵活性和效率优势,成为很多电源转换电路的流行选择。视运行条件的不同而不同,这类电源的转换效率现在可以达到 98% 的水平。然而,尽管有这些优势,这类电源必须在其他参数上做出妥协,其中最难的一个就是噪声。

 

不过,什么是开关稳压器的“噪声”? 为了更好地理解这个术语,让我们从开关模式电源产生宽带谐波能量这一事实入手。这种人们不想要的能量以两种形式出现,即辐射和传导,在业界,它们通常被称为“噪声”。然而,这个名称确实不够准确,因为开关稳压器的输出“噪声”根本就不是噪声,而是直接与稳压器的开关切换有关的、自然而然剩余的高频分量。这种现象的正确叫法是电磁辐射,或者更常见的叫法是 EMI。而且,确实,EMI 有辐射和传导两种形式。

 

既然在很多电路应用中,要实现最佳性能,无噪声、良好稳压的电源非常重要,那么能够降低在这种转换过程必然存在的噪声也就非常重要了。降低噪声的一种显然方式是使用线性稳压器。然而,尽管线性稳压器提供噪声很低的电源轨,但是在高降压比时,其转换效率不佳,这在大输出电流应用中,可能导致设计出现热量问题。

 

相应地,开关稳压器通常比线性稳压器的转换效率高,因此当最终应用需要大输出电流时,开关稳压器的热量设计会更简单。人们能够很好地理解,在决定几乎所有电源成败时,组件选择和电路板布局发挥了非常重要的作用。这些方面决定了运行时的 EMI 和热量表现。对外行而言,开关电源布局也许看似魔法,但实际上,在设计初期,这常常是被忽视的一个基本方面。既然总是必须满足运行时的 EMI 要求,那么对电源运行稳定性有好处的事,通常对降低 EMI 辐射也是有好处的。此外,从一开始就确定一个良好的布局,不会给设计增加任何成本,而且实际上,由于无需 EMI 滤波器、机械屏蔽、EMI 测试时间和无数次修改电路板,因此还有可能节省了成本。

 

另外,在一个设计中采用多个开关模式 DC/DC 稳压器以产生多个轨时,如果这些稳压器并联,以均分电流并提供更大的输出功率,那就有可能加重噪声引起的潜在干扰问题。如果所有稳压器都以一个相似的频率运行 (切换),那么电路中多个稳压器合起来产生的能量就有可能集中在一个频率附近。这种能量的存在可能会成问题,尤其是如果印刷电路板 (PCB) 上其余 IC 以及其他系统电路板相互靠得很近而易于受到这种辐射能量影响时。在工业和汽车系统中,这尤其有可能造成麻烦,因为这类系统都是密集排列的,而且非常靠近电噪声源,例如机械切换的电感性负载、PWM 驱动功率输出、微处理器时钟和触点切换。此外,如果以不同频率切换,那么互调分量有可能混叠到敏感频段中。

 

开关稳压器辐射

在工业、医疗和汽车环境中,散热少、效率高对应用很重要,因此通常用开关稳压器替代换线性稳压器。此外,开关稳压器一般是输入电源总线上的第一个有源组件,因此对整个产品设计的EMI性能有很大的影响。

 

传导辐射依赖于连接到产品上的导线和走线。既然噪声局限于设计中的特定端子或连接器,那么如上面已经提到的那样,在开发过程中,常常可以通过良好的布局或滤波器设计,相对较早地确保满足传导辐射要求。

 

辐射 EMI 则完全是另一回事。电路板上携带电流的所有东西都辐射电磁场。电路板上的每一条走线都是天线,每一个铜平面都是谐振器。除了纯正弦波或 DC 电压,任何信号都产生遍布信号频谱的噪声。即使进行了仔细设计,在系统进行测试之前,电源设计师也从不会真正知道辐射 EMI 有多严重。而直到设计基本完成,才会正式进行辐射 EMI 测试。

 

滤波器常常用来降低 EMI,降低某个频率或某个频率范围内的干扰强度。通过增加金属屏蔽和磁屏蔽,可以衰减经由空间辐射的那部分能量。通过增加铁氧体珠和其他滤波器,可以降伏依赖 PCB 走线的那部分能量 (传导辐射)。EMI 不可能彻底消除,但是可以衰减到其他通信、信号处理和数字组件可接受的水平。此外,为了确保符合工业和汽车系统要求,几家监管机构执行了一些标准。

 

采用表面贴装技术的新式输入滤波器组件比通孔式组件性能高。然而,这种改进却抵不过今天高频开关稳压器日益提高的要求。在更高的工作频率上要求非常短的最短接通和断开时间,导致因开关转换更快而带来更高次谐波分量,因此增大了辐射噪声。不过,要获得更高的转换效率,就需要这样高的开关速度。开关电容器充电泵没有这种问题,因为这种充电泵以低得多的开关频率工作,而且最重要的是,可以容许较慢的开关切换而不会降低效率。

熟练的 PCB 设计师会设计很小的热环路,并使屏蔽接地层尽可能靠近激活层。然而,要在去耦组件中存储充足的能量,对器件引脚布局、封装结构、热设计和封装尺寸就会有一定的要求,这些要求决定了最小热环路尺寸。使问题更加复杂的是,在典型平面印刷电路板中,走线之间高于 30MHz 的磁性或变压器型耦合将减弱所有滤波效果,因为谐波频率越高,不希望的磁耦合就越有效。

 

解决 EMI 问题的另一种方案

已尝试过真正解决 EMI 问题的方法是,针对整个电路采用屏蔽盒,即使这样,屏蔽也不能完全防止对盒内敏感电路的耦合。当然,这提高了成本、增大了所需电路板空间、使热量管理和测试更加困难并增加了额外的组装费用。另一种经常使用的方法是降低开关速度。这种方法会产生一些不希望的效应,即降低效率,延长最短接通 / 断开时间以及相关的停滞时间,因此降低了潜在的电流控制环路速度。

 

几年前,凌力尔特公司推出了 LT8614 Silent Switcher? 稳压器,该器件无需使用屏蔽盒,就可提供所希望的屏蔽盒效果,同时还消除了上述很多缺点。然而,在某些噪声应用中,由于相关的 EMI 辐射,电源设计师就是不喜欢使用基于电感器的稳压器。同时,由于相对低的转换效率和需要散热器,线性稳压器 (即 LDO) 也有可能被排除在外。结果,设计师们转向了另一种常见和称为充电泵的方法。

 

充电泵已经出现几十年了,它们提供 DC/DC 电压转换,用开关网络给两个或更多电容器充电和放电。基本充电泵开关网络在电容器的充电和放电状态之间切换。如图 1 所示,C1 是“浮动电容器”,运送电荷,C2 是“存储电容器”,保存电荷,并对输出电压滤波。增加“浮动电容器”和开关阵列会实现多种好处。

 

电路图

图 1:一个电压反相器的简化充电泵方框图

 

当开关 S1 和 S3 接通或断开时,开关 S2 和 S4 断开或接通,输入电源给 C1 充电。在下一个周期中,S1 和 S3 断开,S2 和 S4 接通,电荷传送到 C2,产生 VOUT = -(V+)。

 

不过,直到最近,充电泵一直提供有限的输入和输出电压范围,这限制了它们在工业和汽车应用中的使用,在这类应用中,高达 40V 或 60V 的输入是常见的。不过,随着凌力尔特公司推出高压充电泵,这种情况现在已经改变了。

 

高压充电泵

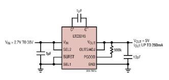
LTC3245 是一款降压-升压型稳压器,丢弃了传统上使用的电感器,而采用了一个开关电容器充电泵。其输入电压范围为 2.7V 至 38V,可在没有反馈分压器的情况下使用,以产生 3.3V 或 5V 这两个固定输出电压之一,或者通过反馈分压器设定为 2.5V 至 5.5V 范围内的任何输出电压。最大输出电流为 250mA。LTC3245 能够调节高于或低于输入电压的输出电压,从而能够满足汽车冷车发动需求。参见图 2 的完整原理图。

电路图

图 2:LTC3245 原理图,从 2.7V 至 38V 输入提供固定 5V 输出

 

这个充电泵用 12V 电源提供 5V/100mA 输出时,能实现 80% 的效率,这几乎是线性稳压器的两倍,从而有可能避免像带散热器的 LDO 那样高之空间和成本要求。该充电泵满负载时功耗几乎低 LDO 三倍。参见图 3 的 LTC3245 效率和功耗曲线。

 

电路图

图 3:12V 输入至 5V 输出时,LTC3245 效率 / 功耗曲线

 

EFFICIENCY:效率

5VOUT Efficiency vs Output Current:5VOUT 时,效率随输出电流的变化

 

LTC3245 还具备出色的辐射和传导 EMI 性能,如图 4a 和 4b 所示。这些测量结果是在一个符合 CISPR22 和 CISPR25 要求的微型容器中得出的。正如能够看到的那样,恰当地去耦合以后,在满足政府的辐射和传导 EMI 监管法规要求方面,LTC3245 不会产生任何问题。

 

电路图

图 4:LTC3245 的辐射 (a) 和传导 (b) EMI

 

AMPLITUDE:幅度

CISPR22 CLASS B LIMIT:CISPR22 CLASS B 限制

FREQUENCY:频率

DETECTOR = PEAK HOLD:检测器 = 峰值保持

SWEEP TIME:扫描时间

10 SWEEPS:10 次扫描

# OF POINTS:点数

CISPR25 CLASS 3 BROADBAND LIMIT:CISPR25 CLASS 3 宽带限制

LOAD = 240Ω WITH 33μF ELECTROLYTIC & CERAMIC INPUT CAP:

负载 = 240Ω 以及 33μF 电解质和陶瓷输入电容器

 

DETECTOR = PEAK:检测器 = 峰值

 

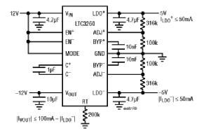
在很多工业、医疗和汽车应用中,运算放大器、驱动器和传感器等电子产品常常需要双极性电源。不过,罕有可用于负载点处的双极性电源。由于这种需求以及由于缺少简便易用的解决方案,凌力尔特公司开发了 LTC3260。

LTC3260 是一款负输出充电泵 DC/DC 转换器,具备两个低噪声 LDO 稳压器跟随器,可用单一 4.5V 至 32V 输入电源产生正和负电源,如图 5 的完整原理图所示。该器件可以在高效率突发模式 (Burst Mode?) 运行和低噪声恒定电流频率模式之间切换,从而允许设计师针对应用做出最佳权衡。

LTC3260 可用反相输入电压在充电泵输出 VOUT 端提供高达 100mA 电流。这个 VOUT 还作为负 LDO 稳压器 LDO- 的输入电压。充电泵频率可用单个电阻器在 50kHz 至 500kHz 范围内调节。LTC3260 的每个 LDO 都可支持高达 50mA 的负载。而且,每个 LDO 在 50mA 时都有 300mV 压差电压,输出电阻器分压器网络可用来设定输出电压。当两个稳压器都禁止时,停机静态电流仅为 2μA。

 

 

电路图

图 5:12V 输入电源至 ±5V 输出

 

结论

众所周知,在设计之初,对于工业、医疗和汽车环境的 EMI 问题需要严加注意,以确保一旦系统完成,能够通过 EMI 测试。直到现在为止,尚没有一种必定成功的方法,能确保通过选择恰当的电源 IC 而在最后轻松地通过 EMI 测试,除了功率非常低的系统。

凌力尔特公司最近推出了低 EMI 稳压器和 DC/DC 转换器,包括一个广泛的线性稳压器系列以及 LT86xx Silent Switcher 降压型转换器。现在,我们日益扩大的高压充电泵系列提供了第三种选择。与线性稳压器相比,这类产品提供高得多的效率和低得多的功耗,而且不需要应对与开关稳压器有关的补偿、布局、磁场和 EMI 问题。

 

。 (本文来源网络整理,目的是传播有用的信息和知识,如有侵权,可联系管理员删除)

版权声明:网站转载的所有的文章、图片、音频视频文件等资料的版权归版权所有人所有。如果本网所选内容的文章作者及编辑认为其作品不宜公开自由传播,或不应无偿使用,请及时联络我们,采取适当措施,避免给双方造成不必要的经济损失。