why care负载电容
负载电容(load capacitance)常用的标准值有12.5 pF,16 pF,20 pF,30pF,负载电容与石英谐振器一起决定振荡器的工作频率,通过调整负载电容,一般可以将振荡器的工作频率调到标称值。
负载电容和谐振频率之间的关系不是线性的,负载电容变小时,频率偏差量变大;负载电容提高时,频率偏差减小。下图是一个晶体的负载电容和频率的误差的关系图。
![]()
图1、晶振误差— 负载电容(22 pF 负载电容)
负载电容的定义
从石英晶体插脚两端向振荡电路方向看进去的全部有效电容为该振荡电路加给石英晶体的负载电容。石英晶体的负载电容的定义如下式:

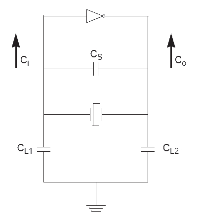
图1中标示出了CG,CD,CS的的组成部分。

图1、晶体振荡电路的概要组成
CG指的是晶体振荡电路输入管脚到gnd的总电容(比如 USB PHY的USB_XI信号到地)。容值为以下三个部分的和。
● USB_XI管脚到gnd的寄生电容, Ci
● 晶体-震荡电路XI的PCB走线到到gnd的寄生电容,CPCBXI
● 电路上另外增加的并联到gnd“负载电容”, CL1
CD指的是晶体振荡电路输入管脚到gnd的总电容(比如 USB PHY的USB_XO信号到地)。容值为以下三个部分的和。
● USB_XO管脚到gnd的寄生电容, Co
● 晶体-震荡电路XO的PCB走线到到gnd的寄生电容,CPCBXO
● 电路上另外增加的并联到gnd“负载电容”, CL2
CS指的晶体两个管脚之间的寄生电容(shunt capacitance),在晶体的规格书上可以找到具体值,一般0.2pF~8pF不等。如图二是某32.768KHz的电气参数,其寄生电容典型值是0.85pF(在表格中采用的是Co)。

图2、某晶体的电气参数
Ci 以及Co 的取值,一般可以在芯片手册上查询到。比如图三是某芯片的XI/XO的寄生电容值。
![]()
图3、某芯片的输入电容
CL1/CL2的计算过程
一般我们会说,计算晶体振荡电路的负载电容,事实上是根据晶体规格书上标称的负载电容,计算出实际需要在晶体两端安装的电容CL1以及CL2的值。
假设我们需要计算的电路参数如下所述。芯片管脚的输入电容如图三CN56XX所示,Ci=4.8pF;所需要采用的晶体规格如图二所示,负载电容CL=12.5pF,晶体的寄生电容CS=0.85pF。
我们可以得到下式:

为了保持晶体的负载平衡,在实际应用中,一般要求CG=CD,所以进一步可以得到下式:

根据CG的组成部分,可以得到:
CG=Ci+CPCBXI+CL1=23.3pF
晶体布线时都会要求晶体尽量靠近振荡电路,所以CPCBXI一般比较小,取0.2pF;Ci=4.8pF。所以最终的计算结果如下:(CL2的计算过程类似)
CL1=CL2=18.3pF≈18pF
例外情况
现在有很多芯片内部已经增加了补偿电容(internal capacitance),所以在设计的时候,只需要选按照芯片datasheet推荐的负载电容值的选择晶体即可,不需要额外再加电容。但是因为实际设计的寄生电路的不确定性,最好还是预留CL1/CL2的位置。
以上的计算都是基于CG=CD的前提,的确有一些意外情况,比如cypress的带RTC的nvsram的时钟晶体要求两边不对称,但是幸运的是,cypress给出了详细的计算过程以及选型参考。
。 (本文来源网络整理,目的是传播有用的信息和知识,如有侵权,可联系管理员删除)
版权声明:网站转载的所有的文章、图片、音频视频文件等资料的版权归版权所有人所有。如果本网所选内容的文章作者及编辑认为其作品不宜公开自由传播,或不应无偿使用,请及时联络我们,采取适当措施,避免给双方造成不必要的经济损失。