• 周六. 10 月 18th, 2025

隔离与非隔离电源的特性PK-电路图讲解-电子技术方案

4 月 10, 2019

如果拿CPU比喻为电子系统的大脑,那么电源就相当于电子系统的心脏。随着对电路设计中电源要求越来越高,隔离电源模块应运而生,而对隔离电源你又了解多少?

随着电子行业的发展,对电源的要求越来越高,体积更小,可靠性更高,电源模块作为集成器件应运而生。其具有隔离作用,抗干扰能力强,自带保护功能,便于后期系统集成等优点被越来越广泛的应用。

但是在选择合适的模块时,经常会碰到一个参数“隔离电压”,隔离电压越高,模块的价格就越贵,那么就会好奇了,什么是隔离电压,该选择什么等级的合适呢?

    
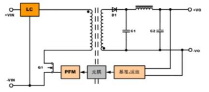
电源的隔离耐压在GB-4943国标中又叫抗电强度,这个GB-4943标准就是我们常说的信息类设备的安全标准,就是为了防止人员受到物理和电气伤害的国家标准,其中包括避免人受到电击伤害、物理伤害、爆炸等伤害。如下图1为隔离电源结构图。

 


图1  隔离电源结构图

作为模块电源的重要指标,标准中也规定了隔离耐压相关测试方法,简单的测试时一般采用等电位连接测试,连接示意图如下:

 


图2 隔离耐压测试示意图

测试方法:

l将耐压计的电压设为规定的耐压值,电流设为规定的漏电流值,时间设为规定的测试时间值;

l操作耐压计开始测试,开始加压,在规定的测试时间内,模块应无击穿,无飞弧现象。

注意在测试时焊接电源模块要选取合适的温度,避免反复焊接,损坏电源模块。

那么隔离电源与非隔离电源比较有什么的优缺点呢?

 


表 1  隔离电源与非隔离电源优缺点

通过了解隔离与非隔离电源的优缺点可知,它们各有优势,对于一些常用的嵌入式供电选择,我们可遵循以下判断条件:

l系统前级的电源,为提高抗干扰性能,保证可靠性,一般用隔离电源;

l电路板内的IC或部分电路供电,从性价比和体积出发,优先选用非隔离的方案;

l对于远程工业通信的供电,为有效降低地电势差和导线耦合干扰的影响,一般用隔离电源为每个通信节点单独供电;

l对于采用电池供电,对续航力要求严苛的场合,采用非隔离供电;

l对安全有要求的场合,如需接市电的AC-DC,或医疗用的电源,为保证人身的安全,必须用隔离电源,有些场合还必须用加强隔离的电源。

一般场合使用对模块电源隔离电压要求不是很高,但是更高的隔离电压可以保证模块电源具有更小的漏电流,更高的安全性和可靠性,并且EMC特性也更好一些,因此目前业界普遍的隔离电压水平为1500VDC以上。

。 (本文来源网络整理,目的是传播有用的信息和知识,如有侵权,可联系管理员删除)

版权声明:网站转载的所有的文章、图片、音频视频文件等资料的版权归版权所有人所有。如果本网所选内容的文章作者及编辑认为其作品不宜公开自由传播,或不应无偿使用,请及时联络我们,采取适当措施,避免给双方造成不必要的经济损失。