• 周六. 10 月 18th, 2025

电池管理系统BMS,静电防护不到位咋补救?-电路图讲解-电子技术方案

5 月 29, 2019

图例是典型的BMS控制板,基于NXP核心汽车级器件。

     

 作为板级ESD控制的主要部位为3路的CAN通信和RS485 RS232的对外通信接口,此方案内置了高可靠性的ESD防护,支持热插拔和随机的电池连接防护。   以下是雷卯为上述三种接口设计的防护方案。  


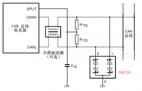
1、CAN接口 在对各种现场总线的综合比较中,基于CAN总线构建的通信系统具有很多优异的特性:数据信号采用差分电压传输;总线传输介质可用双绞线、同轴电缆和光纤;可以多主方式工作,通信方式灵活;可以点对点、点对多点及全局广播方式传送接收数据;网络上的节点信息可分成不同的优先级,满足不同的实时要求。     

 在设备工作中,CAN协议作为控制单元交互通信的主通道,其通讯速率高达1Mbps,宽输入的共模范围和差动信号技术使其像人体的神经网络,所以对CAN的保护变得至关重要。 对于汽车级的保护,ESD抗静电能力需要达到满足等同于IEC61000-4-2标准的接触和空气都要达到30KV的测试。   基于CAN的保护需求,SMC24 静电保护器件,采用SOT-23封装,工作电压24V,满足12V汽车系统产品的24V保持 1分钟的测试,同时可以同时保护2路CAN信号,由于其本身低结电容的特点,可以满足CAN通信时的数据不会丢包。 

    


2、RS485接口  对RS485接口的特点是收发电平的不对称,为7V 和12V,所以需要专门设计不对称的保护芯片,而SM712 SOT-23封装,专为保护具有非对称工作电压(-7V至12V)的RS-485应用而设计,使其免受静电放电(ESD)、电气快速瞬变(EFT)和雷电引致的浪涌电流带来的危害。 它能吸收高于IEC 61000-4-2国际标准规定之最高级别的反复性ESD放电 30KV,无需担心其性能发生减退,并可在极低的箝位电压下安全地耗散19A的8/20μs波形浪涌电流(IEC61000-4-5)。    

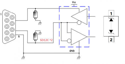
  3、RS232接口  RS232接口一般为内部配置接口,或短距离低速通信口,但此接口经常插拔,需要采用功率300W以上产品进行静电和浪涌保护,所以需采用SOD-323封装的SD12C或SD15C(根据客户芯片的工作电压波动不同)来保护收发2路信号。    

  4、ESD器件的布置建议 a)将设备尽可能靠近输入端或连接器。   b)最小化设备与受保护线路之间的路径长度。   c)将并行信号路径保持在最低限度。   d)避免运行受保护的导体与未受保护的导体并联。   e)最小化所有印刷电路板(PCB)的导电回路,包括电源和接地回路。   f)最小化对地的瞬态返回路径长度。   g)避免使用共享的瞬态返回路径到公共接地点。   h)尽可能使用地平面,多层印刷电路板,使用地面通孔。                                            

。 (本文来源网络整理,目的是传播有用的信息和知识,如有侵权,可联系管理员删除)

版权声明:网站转载的所有的文章、图片、音频视频文件等资料的版权归版权所有人所有。如果本网所选内容的文章作者及编辑认为其作品不宜公开自由传播,或不应无偿使用,请及时联络我们,采取适当措施,避免给双方造成不必要的经济损失。