• 周六. 10 月 18th, 2025

BMS系统如何做好电源和信号隔离-电路图讲解-电子技术方案

6 月 25, 2019

现今电动汽车车型日新月异,如何在诸多车型中脱颖而出呢?一款性能强大的电动汽车内部一定会有一套优质的电池管理系统(BMS),而想要打造优质的BMS,隔离电源和隔离CAN收发器的选择至关重要,那么在BMS方案中隔离电源和隔离CAN收发器该如何选择呢?   一、电动汽车BMS简介 电池管理系统(BATTERY MANAGEMENT SYSTEM简称BMS)是连接车载电力电池和电动汽车的重要纽带,其主要功能包括:电池物理参数实时监测,电池状态评估,在线诊断和报警,均衡控制等。为什么电动汽车BMS会兴起呢?   电动汽车的动力和储能电池均是采用电池组的形式,但基于现有的制造水平,单体电池之间尚不能达到性能的完全一致,在通过串并联方式组成大功率、大容量动力电池组后,苛刻的使用条件也易诱发局部偏差,从而引发安全问题。为对电池组进行合理有效的管理控制,BMS性能至关重要。

    

 图1  BMS产品图片  

二、BMS的工作原理 BMS与电动汽车的动力电池紧密结合在一起,那么BMS是如何保证对电池组进行合理有效的管理控制呢?它具体的工作如下。 l监测电池的整体情况,通过传感器对电池的电压、电流、温度进行实时检测;   l管理电池的工作状态,对电池进行漏电检测、热管理、电池均衡管理、报警提醒,计算剩余容量(SOC)、放电功率,报告电池劣化程度(SOH)和剩余容量(SOC)状态;   l电池状态预估,根据电池的电压电流及温度用算法控制最大输出功率以获得最大行驶里程,以及用算法控制充电机进行最佳电流的充电。   而这一系列信息传输均是通过CAN总线接口与车载总控制器、电机控制器、能量控制系统、车载显示系统等进行实时通信,最终保证对电池组进行合理有效的管理控制,具体的结构框图如图2所示。    

 图2  BMS架构框图  

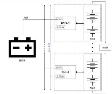
三、BMS应具备的三要素 那么要如何保证BMS正常工作呢?让我们从BMS在汽车内部的工作环境着手吧。   首先,应避免BMS模块之间的相互干扰,电源输入前端使用隔离DC-DC电源。一台车里有很多BMS模块,每个模块都集中从蓄电池里取电,具体电动汽车内部框图如图3所示。为保证每个模块供电不会相互串扰,同时保证BMS单个模块的独立性,因此需要在BMS的电源输入前端使用隔离DC-DC电源,并且输入电压范围应较宽。

    

 图3  电动汽车内部BMS框图   其次,应保证BMS能够与电动汽车进行实时通信,通信前端做CAN隔离处理。汽车内部的通信环境较为恶劣,存在着浪涌、脉冲等干扰信号,为保证正常通信,同样基于系统间低耦合性和配合电源安规的考虑,CAN端也需要做隔离处理,并且对防护等级和传输速率要求较高。   

 最后,应保障驾驶人员的人身安全,需要较高等级的电源隔离防护。由于多个电池串联后,电池组的电压非常高,一般可达500VDC左右,是属于对人体有安全威胁的电压,为保障蓄电池低压侧的安全,一般也会用隔离DC-DC隔开高压和低压侧。  

  四、BMS电源与信号隔离推荐方案 由于BMS的安全性考虑,系统之间需要进行电源和信号隔离,BMS主板供电来源于电池组。一般是12V(也有24V),采用较多的是2W/3W隔离DC-DC电源模块,如:ZY2405WHB1CS-2W,ZY2405WRBDD-3W。部分功率要求高的场合也会选用6W隔离DC-DC电源模块,如:E2412URAD-6W。对于EMI要求高的场合,可以在隔离DC-DC电源模块输入端加π型滤波电路,具体的产品实物如图4所示。   图4  ZLG致远电子隔离DC-DC电源模块   考虑到BMS的安全性,多采用CAN通信,相应的在防干扰,隔离等方面就要花费很大心思。如下图5所示,ZLG致远电子专门的CTM系列隔离CAN收发器,隔离电压达到3500VDC(如:CTM1051KT/CTM1051KAT),工作温度-40℃~+85℃,符合“ISO 11898-2”标准,标准DIP-8 引脚封装,超小体积,在BMS、充电桩、电动汽车等领域被广泛应用。  

图5  ZLG致远电子CTM1051K(A)T实物图                                        

。 (本文来源网络整理,目的是传播有用的信息和知识,如有侵权,可联系管理员删除)

版权声明:网站转载的所有的文章、图片、音频视频文件等资料的版权归版权所有人所有。如果本网所选内容的文章作者及编辑认为其作品不宜公开自由传播,或不应无偿使用,请及时联络我们,采取适当措施,避免给双方造成不必要的经济损失。