• 周六. 10 月 18th, 2025

探索高压输电——第2部分:电压源换流器-电路图讲解-电子技术方案

3 月 25, 2019

该系列文章的第一部分介绍了电网换相换流器(LCC)。这篇文章将讨论电压源换流器(VSC)并比较两种拓扑结构。     VSC目前已成为首选实施对象,原因如下:VSC具有较低的系统成本,因为它们的配站比较简单。VSC实现了电流的双向流动,更易于反转功率流方向。VSC可以控制AC侧的有功和无功功率。VSC不像LCC那样依赖于AC网络,因此它们可以向无源负载供电并具有黑启动能力。使用绝缘栅双极晶体管(IGBT)阀,则无需进行晶闸管所需的换流操作,并可实现双向电流流动。     表1对LCC和VSC进行了对比。VSC的电压电平通常在150kV-320kV范围内,但一些电压电平可高达500kV。VSC有几种不同的类型。让我们来看看两电平、三电平和模块化多电平。

                  

表1 *参见2016年电气与电子工程师协会(IEEE)第16届国际环境与电气工程会议文章“LCC-HVDC和VSC-HVDC技术与应用的综述。” 表1:换流器比较    

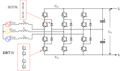
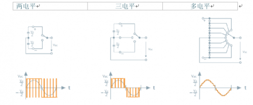
两电平电压源换流器   如图1所示,两电平VSC具有IGBT,每个IGBT具有与其并联的反向二极管。每个阀包括多个串联的IGBT/二极管组件。使用脉宽调制(PWM)控制IGBT,以帮助形成波形。因为IGBT在实现PWM时多次导通关断,所以会发生开关损耗,而谐波是一个因素。  

 

 图1:两电平VSC(HVDC换流器图片由维基百科提供)    


三电平电压源换流器   如图2所示,三电平VSC改善了谐波问题。三电平换流器每相有四个IGBT阀。其中两个二极管阀用于钳位电压,但您可以用IGBT代替它们,以获得更好的可控性。打开顶部的两个IGBT获得较高的电压电平,打开中间的两个IGBT获得中间(或零)电压电平,打开底部的两个阀获得较低的电压电平。

     

 图2:三电平VSC(HVDC换流器图片由维基百科提供)  

模块化多电平换流器   MMC与另两种换流器不同,因为每个阀就是一个具有内置式平流电容器的换流器模块。MMC取代了含有多个IGBT的阀,它具有多个级联的换流器模块。其中每一个模块都代表了特定的电压电平。MMC中的换流器模块是半桥式或全桥式换流器。 

  

图3:模块化换流器类型(HVDC换流器图片由维基百科提供)     MMC方法显著提高了谐波性能,以致通常不需要滤波。它也比两电平和三电平VSC更有效,因为它没有与IGBT阀相同的开关损耗。  

图4:波形输出(图片由SVC PLUS VSC技术提供)     为了监控功率因数、电压和电流电平,可在配站交流和直流的可测量侧测量信号。在接收到该信息时,换流器控制装置可以做出所需的调整,以维持稳定的功率电平和适当的功率因数。保护继电器系统或智能电子器件(IED)收集信号信息。请参见图5。

    

 图5:信号解释     使用全差分隔离放大器的隔离电流和电压测量是TI参考设计之一,可以测量交流和直流信号。设计指南解释了如何使用隔离运算放大器调节信号以增加振幅,并抑制任何共模电压和噪声。具有板载ADC的MCU将分析和解释此信号。根据波形确定的信息反馈到换流器的控制装置,从而将对不断变化的相位和电压电平进行调整以保持稳定性。    


其他信息: ·了解有关HVDC系统的更多信息   ·使用全差分隔离放大器的隔离电流和电压测量进行设计(TIDA-00555)   ·阅读此两部分系列的第一部分                                            

。 (本文来源网络整理,目的是传播有用的信息和知识,如有侵权,可联系管理员删除)

版权声明:网站转载的所有的文章、图片、音频视频文件等资料的版权归版权所有人所有。如果本网所选内容的文章作者及编辑认为其作品不宜公开自由传播,或不应无偿使用,请及时联络我们,采取适当措施,避免给双方造成不必要的经济损失。