• 周六. 10 月 18th, 2025

基于TL494的推挽输出,H桥电路为驱动器的直流电机控制系统设计-电路图讲解-电子技术方案

6 月 9, 2019

  介绍了以TL494为核心,采用PWM技术的直流电机控制系统。基于TL494的H桥直流电机控制系统可简化电路结构、驱动能力强、功耗低并且控制方便,性能稳定。   由于直流电机具有良好的起动、制动和调速性能,已广泛应用于工业、航天领域等各个方面。随着电力电子技术的发展,脉宽调制(PWM)调速技术已成为直流电机常用的调速方法,具有调速精度高、响应速度快、调速范围宽和功耗低等特点。而以H桥电路作为驱动器的功率驱动电路,可方便地实现直流电机的四象限运行,包括正转、正转制动、反转、反转制动,已广泛应用于现代直流电机伺服系统中。  


1、直流电机PWM调速控制原理 众所周知,直流电动机转速公式为:

     

 直流电机转速控制可分为励磁控制法与电枢电压控制法。励磁控制法用得很少,大多数应用场合都使用电枢电压控制法。随着电力电子技术的进步,改变电枢电压可通过多种途径实现,其中脉冲宽度调制(PWM)便是常用的改变电枢电压的一种调速方法。其方法是通过改变电机电枢电压接通时间与通电周期的比值(即占空比)来调整直流电机的电枢电压U,从而控制电机速度。   PWM的核心部件是电压-脉宽变换器,其作用是根据控制指令信号对脉冲宽度进行调制,以便用宽度随指令变化的脉冲信号去控制大功率晶体管的导通时间,实现对电枢绕组两端电压的控制。   电压-脉宽变换器结构如图1所示,由三角波发生器、加法器和比较器组成。三角波发生器用于产生一定频率的三角波UT,该三角波经加法器与输入的指令信号UT相加,产生信号UI+UT,然后送入比较器。比较器是一个工作在开环状态下的运算放大器,具有极高的开环增益及限幅开关特性。两个输入端的信号差的微弱变化,会使比较器输出对应的开关信号。一般情况下,比较器负输入端接地,信号UI+UT从正端输入。当UI+UT》0时,比较器输出满幅度的正电平;当UI+UT《0时,比较器输出满幅度的负电平。

    

 图1电压-脉宽比较器   电压-脉宽变换器对信号波形的调制过程如图2所示。由于比较器的限幅特性,输出信号Us的幅度不变,但脉冲宽度随UI的变化而变化,Us的频率由三角波的频率所决定。   当指令信号UI=0时,输出信号Us为正负脉冲宽度相等的矩形脉冲。当UI》0时,Us的正脉宽大于负脉宽。当UI《0时,Us的正脉宽小于负脉宽。当UI》UTPP/2时(UTPP是三角波的峰值),Us为一正直流信号;当UI《UTPP/2时,Us为一负直流信号。

    

 图2PWM脉宽调制波形   2、直流电机驱动控制总流程图 直流电机驱动控制电路分为控制信号电路、脉宽调制电路、驱动信号放大电路、H桥功率驱动电路等部分,控制总流程如图3所示。  

 

图3直流电机驱动控制总流程图   由图3可以看出,首先由单片机发出电机逻辑控制信号,主要包括电机运转方向信号Dir,电机调速信号PWM及电机制动信号Brake,然后由TL494进行脉宽调制,其输出信号驱动H桥功率电路来驱动直流电机。其中H桥是由4个大功率增强型场效应管构成的,其作用是改变电机的转向,并对驱动信号进行放大。  

3、TL494脉冲宽度调制电路3.1TL494各管脚功能 在实现电机PWM控制的电路中,本系统选用TL494芯片,其内部电路由基准电压产生电路、振荡电路、间歇期调整电路、两个误差放大器、脉宽调制比较器以及输出电路等组成。共16个管脚,其功能结构如图4所示。   TL494芯片广泛应用于单端正激双管式、半桥式、全桥式开关电源。其片内资源有:   ◆集成了全部的脉宽调制电路。 ◆片内置线性锯齿波振荡器,外置振荡元件仅两个(一个电阻和一个电容)。 ◆内置误差放大器。 ◆内止5V参考基准电压源。 ◆可调整死区时间。 ◆内置功率晶体管可提供500mA的驱动能力。 ◆推或拉两种输出方式。  

  3.2工作原理简述 TL494是一个固定频率的脉冲宽度调制电路,内置了线性锯齿波振荡器,振荡频率可通过外部的一个电阻和一个电容进行调节,其振荡频率如下:      

 图4TL494结构图   输出脉冲的宽度是通过电容CT上的正极性锯齿波电压与另外两个控制信号进行比较来实现。功率输出管Q1和Q2受控于或非门。当双稳触发器的时钟信号为低电平时才会被选通,即只有在锯齿波电压大于控制信号期间才会被选通。当控制信号增大,输出脉冲的宽度将减小。   控制信号由集成电路外部输入,一路送至死区时间比较器,一路送往误差放大器的输入端。死区时间比较器具有120mV的输入补偿电压,它限制了最小输出死区时间,约等于锯齿波周期的4%,当输出端接地,最大输出占空比为96%,而输出端接参考电平时,占空比为48%。当把死区时间控制输入端接上固定的电压(范围在0—3.3V之间)即能在输出脉冲上产生附加的死区时间。   该芯片具有抗干扰能力强、结构简单、可靠性高以及价格便宜等特点。  

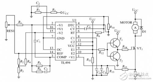
3.3基于TL494推挽式输出的电路设计 该控制系统的具体实现电路如图5所示。系统功率驱动选用MOSFET,其输入阻抗很高,可直接由晶体三极管驱动。TL494的13脚用来控制输出模式。在该系统中,选择将该端输入为低电平,这时TL494内触发器Q1和Q2不起作用,两路输出相同,其频率和振荡器频率相同、最大占空比为98%。    

 图5基于TL494推挽式输出的电路设计                                          

。 (本文来源网络整理,目的是传播有用的信息和知识,如有侵权,可联系管理员删除)

版权声明:网站转载的所有的文章、图片、音频视频文件等资料的版权归版权所有人所有。如果本网所选内容的文章作者及编辑认为其作品不宜公开自由传播,或不应无偿使用,请及时联络我们,采取适当措施,避免给双方造成不必要的经济损失。