• 周六. 10 月 18th, 2025

使用LM317设计一个稳压电源的方案-电路图讲解-电子技术方案

3 月 21, 2019

  直流稳压电源是各种电子产品中不可缺少的一部分,它的质量直接关系到仪器的质量,为设备的稳定工作提供能量。因此掌握稳压电源的安装与调试方法,对稳压电源起着非常至关重要的作用。本文主要介绍LM317稳压电源的电路结构、组装步骤以及调试方法。  


引言 随着集成电路工艺的迅速发展,稳压电路也迅速实现了集成化,成为模拟集成电路的重要组成部分。目前在小功率稳压电源中应用最普通的是LM317可调直流稳压电源,它是应用最为广泛的电源集成电路之一,它不仅具有固定式三端稳压电路的最简单形式,又具备输出电压可调的特点。此外,还具有调压范围宽、稳压性能好、噪声低、纹波抑制比高等优点。LM317是三端可调节正电压稳压器,输出电压范围1.25V~37V,负载电流最大为1.5A,此稳压器非常易于使用。  


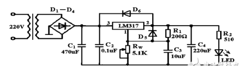
1.LM317电路图与工作原理 LM317构成的可调式稳压电源电路如图1,220V市电经变压器降压、二极管桥式整流、电容C1滤波后,送入LM317第3脚(输入端),第2脚输出稳定的直流电压,第1脚为调整端,调整端与输出端为1.25V基准电压。通过两个外接电阻来调节输出电压,即只要调节RW的阻值就可以达到改变输出电压U0的目的,输出电压计算公式为U0=1.25&TImes;(1+RW/R1)。     C1:滤波左右,C2:抑制自激振荡;C3:滤波,用以减小输出电压的纹波电压(即输出电压中的交变电压分量);C4:滤波作用,使U0中的波动减小。D5、D6主要是对LM317是保护作用,用来防止输入端或输出端短路时电容C3、C4向集成块内部放电而损坏芯片;R2、LED为工作指示电路作用。    


2.组装步骤(1)安装 ①对照LM317可调直流稳压电源原理图2和材料清单,检查元器件是否完整,质量是否合格,对不合格的元件应及时更换; ②识别与检测二极管、电容器、变压器、电阻器、电位器、LM317是否与原理图一致以及好坏和性能。 ③元器件的标志方向应按照图纸规定要求,安装后能看清元件上的标志。若装配图上没有指明方向,则应使标记向外。易于辨认,并按照从左到右、从下到上的顺序读出。 ④安装有极性的元器件时如变压器、二极管、电容,注意极性不要装错。 ⑤安装高度应符合规定要求,同一规格的元器件(R、C、D)应尽量安装在同—高度上。 ⑥安装顺序一般为先低后高,先轻后重,先小后大,先里后外,先易后难,先一般元器件后特殊元器件。比如应先安装电阻、二极管、电位器,接着安装电容,后安装稳压器,最后安装变压器。 ⑦元器件在印刷板上的分布应尽量均匀,排列整齐美观,不允许斜排、立体交叉和重叠排列。元器件外壳和引线不得相碰,要保证1mm左右的安全间隙,必要时应套绝缘套管。 ⑧一些特殊元器件的安装处理,如LM317稳压器发热元件要与电路板保持一定的距离并加装散热片,散热面积一般不应小于10mm²;较大元器件的安装如变压器应采取固定措施(绑扎、粘、支架固定等),以减振缓冲。  


(2)焊接 ①电烙铁要接地,以防止在焊接时由于漏电而击穿元器件。因此推荐使用白光的可调电烙铁,一般温度调节在350度左右为宜,焊接时间少于2秒; ②焊接时要保持焊点饱满,有光泽度,焊锡不应过多。 ③焊接时应保证所有插装好的器件不移动位置。各焊点加热时间及用锡量要适当,对耐热性差的元器件应使用工具辅助散热。防止虚焊、错焊,避免因拖锡而造成短路; ④焊后处理:剪去多余引脚线,检查所有焊点,对缺陷进行修补。  

注意: ①要正确连接好取样电阻R1、RW。在焊接电路时,应让R1尽可能靠近稳压器的调整端与输出端之间,否则,当输出端流过大电流时,将会在电路上产生附加的电压降,使输出电压不稳定。RW的接地点应该和负载电流返回的接地点相同。所以R1、RW的连接是否正确会直接影响稳压性能。 ②应特别注意4个整流二极管和电容C1的极性不能接反。二极管接错可能会烧毁集成稳压器甚至烧毁电源变压器;电容C1的极性如果接反可能会使电容爆裂。 ③变压器的输入级和输出级不能接错,可用万用表测电阻,电阻大的为输入级,电阻小的为输出级;一般变压器的红色线为输入级;  


3.调试方法 对照电路图,仔细核对元器件的位置是否正确,极性是否正确,有无漏焊、虚焊、错焊和搭锡或短路。在上述各点都检查正确后,进行下一步的检查与调试。   (1)散热器安装可靠后才能调试,调试前应检查稳压器输入、输出端和接地端连接是否正确。输入端及输出端与地之间电容的装接是否牢靠后,检查无误后即可进行调试。 (2)接通电源,通电指示灯LED亮; (3)用电压表测试LW317稳压器输入端电压和输出端电压,输入电压应高于输出电压。输入电压约为40V,说明LW317工作正常,就可进行性能参数测试了。当RW调至0Ω时,输出电压为1.25V,当RW调至最大时,输出电压为37V左右。 (4)若输出电压为0,变压器又无异常发热现象,则说明电源变压器一次或二次绕组已经断开或未接妥,也可能是电源与桥式整流未接妥。 (5)测试时一定要遵守安全操作规程,安装或更换元器件时要关断电源,发现打火、冒烟、有异味等不正常现象也要及时关断电源,然后再查找原因。  

  4.结束语 LM317是固定集成稳压器芯片,经过对外围电路的改进制作,可以达到大范围的输出电压调整,不仅满足了一般小功率设备对直流电源的需要,同时也满足教学上各种综合实验的需要,是各类高校理工类电子技术及相关专业开展综合整机线路制作的理想器件之一。                                            

。 (本文来源网络整理,目的是传播有用的信息和知识,如有侵权,可联系管理员删除)

版权声明:网站转载的所有的文章、图片、音频视频文件等资料的版权归版权所有人所有。如果本网所选内容的文章作者及编辑认为其作品不宜公开自由传播,或不应无偿使用,请及时联络我们,采取适当措施,避免给双方造成不必要的经济损失。