• 周六. 10 月 18th, 2025

单端正/反激式、推挽式、全桥式、半桥式电路结构-电路图讲解-电子技术方案

4 月 2, 2019

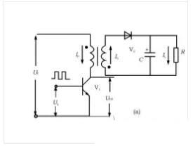
  1. 单端正激式 单端:通过一只开关器件单向驱动脉冲变压器.    正激:脉冲变压器的原/付边相位关系,确保在开关管导通,驱动脉冲变压器原边时,变压器付边同时对负载供电。

     

 该电路的最大问题是:开关管T交替工作于通/断两种状态,当开关管关断时,脉冲变压器处于“空载”状态,其中储存的磁能将被积累到下一个周期,直至电感器饱和,使开关器件烧毁。图中的D3与N3构成的磁通复位电路,提供了泄放多余磁能的渠道。   

2. 单端反激式 反激式电路与正激式电路相反,脉冲变压器的原/付边相位关系,确保当开关管导通,驱动脉冲变压器原边时,变压器付边不对负载供电,即原/付边交错通断。脉冲变压器磁能被积累的问题容易解决,但是,由于变压器存在漏感,将在原边形成电压尖峰,可能击穿开关器件,需要设置电压钳位电路予以保护D3、N3构成的回路。从电路原理图上看,反激式与正激式很相象,表面上只是变压器同名端的区别,但电路的工作方式不同,D3、N3的作用也不同。

    

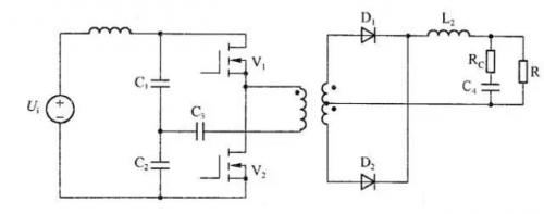
  3.推挽(变压器中心抽头)式 这种电路结构的特点是:对称性结构,脉冲变压器原边是两个对称线圈,两只开关管接成对称关系,轮流通断,工作过程类似于线性放大电路中的乙类推挽功率放大器。     

 主要优点:高频变压器磁芯利用率高(与单端电路相比)、电源电压利用率高(与后面要叙述的半桥电路相比)、输出功率大、两管基极均为低电平,驱动电路简单。    主要缺点:变压器绕组利用率低、对开关管的耐压要求比较高(至少是电源电压的两倍)。    4. 全桥式 这种电路结构的特点是:由四只相同的开关管接成电桥结构驱动脉冲变压器原边。     

 图中T1、T4为一对,由同一组信号驱动,同时导通/关端;T2、T3为另一对,由另一组信号驱动,同时导通/关端。两对开关管轮流通/断,在变压器原边线圈中形成正/负交变的脉冲电流。    主要优点:与推挽结构相比,原边绕组减少了一半,开关管耐压降低一半。    主要缺点:使用的开关管数量多,且要求参数一致性好,驱动电路复杂,实现同步比较困难。这种电路结构通常使用在1KW以上超大功率开关电源电路中。    5. 半桥式 电路的结构类似于全桥式,只是把其中的两只开关管(T3、T4)换成了两只等值大电容C1、C2。

   

主要优点: 具有一定的抗不平衡能力,对电路对称性要求不很严格; 适应的功率范围较大,从几十瓦到千瓦都可以; 开关管耐压要求较低; 电路成本比全桥电路低等。 这种电路常常被用于各种非稳压输出的DC变换器,如电子荧光灯驱动电路中。                                            

。 (本文来源网络整理,目的是传播有用的信息和知识,如有侵权,可联系管理员删除)

版权声明:网站转载的所有的文章、图片、音频视频文件等资料的版权归版权所有人所有。如果本网所选内容的文章作者及编辑认为其作品不宜公开自由传播,或不应无偿使用,请及时联络我们,采取适当措施,避免给双方造成不必要的经济损失。