• 周六. 10 月 18th, 2025

详解SOP封装种类和特点-电路图讲解-电子技术方案

3 月 25, 2019

SOP封装是一种元件封装形式,常见的封装材料有:塑料、陶瓷、玻璃、金属等,现在基本采用塑料封装。,应用范围很广,主要用在各种集成电路中。   SOP(Small Out-Line Package小外形封装)是一种很常见的元器件形式。表面贴装型封装之一,引脚从封装两侧引出呈海鸥翼状(L 字形)。材料有塑料和陶瓷两种。始于70年代末期。

由1980 年代以前的通孔插装(PTH)型态,主流产品为DIP(Dual In-Line Package),进展至1980 年代以SMT(Surface Mount Technology)技术衍生出的SOP(Small Out-Line Package)、SOJ(Small Out-Line J-Lead)、PLCC(PlasTIc Leaded Chip Carrier)、QFP(Quad Flat Package)封装方式,在IC 功能及I/O 脚数逐渐增加后,1997 年Intel 率先由QFP 封装方式更新为BGA(Ball Grid Array,球脚数组矩阵)封装方式,除此之外,近期主流的封装方式有CSP(Chip Scale Package 芯片级封装)及Flip Chip(覆晶)。   1968~1969年菲利浦公司就开发出小外形封装(SOP)。

以后逐渐派生出SOJ(J型引脚小外形封装)、TSOP(薄小外形封装)、VSOP(甚小外形封装)、SSOP(缩小型SOP)、TSSOP(薄的缩小型SOP)及SOT(小外形晶体管)、SOIC(小外形集成电路)等。   SOP封装的应用范围很广,而且以后逐渐派生出SOJ(J型引脚小外形封装)、TSOP(薄小外形封装)、VSOP(甚小外形封装)、SSOP(缩小型SOP)、TSSOP(薄的缩小型SOP)及SOT(小外形晶体管)、SOIC(小外形集成电路)等在集成电路中都起到了举足轻重的作用。像主板的频率发生器就是采用的SOP封装。  


封装的种类 

 按封装形式分:普通双列直插式,普通单列直插式,小型双列扁平,小型四列扁平,圆形金属,体积较大的厚膜电路等。   按封装体积大小排列分:最大为厚膜电路,其次分别为双列直插式,单列直插式,金属封装、双列扁平、四列扁平为最小。   按两引脚之间的间距分:普通标准型塑料封装,双列、单列直插式一般多为2.54±0.25 mm,其次有2mm(多见于单列直插式)、1.778±0.25mm(多见于缩型双列直插式)、1.5±0.25mm,或1.27±0.25mm(多见于单列附散热片或单列V型)、1.27±0.25mm(多见于双列扁平封装)、1±0.15mm(多见于双列或四列扁平封装)、0.8±0.05~0.15mm(多见于四列扁平封装)、0.65±0.03mm(多见于四列扁平封装)。   按双列直插式两列引脚之间的宽度分:一般有7.4~7.62mm、10.16mm、12.7mm、15.24mm等数种。   

 按双列扁平封装两列之间的宽度分(包括引线长度):一般有6~6.5±mm、7.6mm、10.5~10.65mm等。   按四列扁平封装40引脚以上的长&TImes;宽一般有:10&TImes;10mm(不计引线长度)、13.6&TImes;13.6±0.4mm(包括引线长度)、20.6×20.6±0.4mm(包括引线长度)、8.45×8.45±0.5mm(不计引线长度)、14×14±0.15mm(不计引线长度)等。  

   


SOP封装特点 

 SOP器件又称为SOIC(Small Outline Integrated Circuit),是DIP的缩小形式,引线中心距为1.27mm,材料有塑料和陶瓷两种。SOP也叫SOL和DFP。SOP封装标准有SOP-8、SOP-16、SOP-20、SOP-28等等,SOP后面的数字表示引脚数,业界往往把“P”省略,叫SO(Small Out-Line )。  

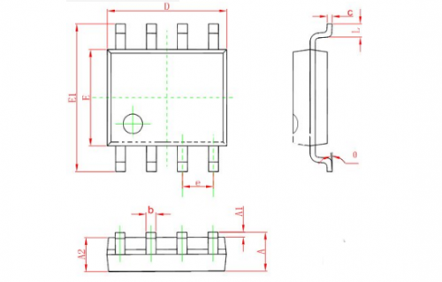
 还派生出SOJ(J型引脚小外形封装)、TSOP(薄小外形封装)、VSOP(甚小外形封装)、SSOP(缩小型SOP)、TSSOP(薄的缩小型SOP)及SOT(小外形晶体管)、SOIC(小外形集成电路)等。   如上所述,现有如下问题:SOIC、SOP、SO三种封装名称实际指的是一种封装的不同名字,是不是这样呢?根据查得的一些数据资料显示,SOIC SOP的尺寸应该是有差距的,管脚间距是一样的,但其它参数有些差异,建议在建封装库时根据器件手册中的称呼命名;另个还有一种说法就是各个公司有各自的命名习惯。   其实归根结底一句话,各种命名都是根据器件的尺寸不同来命名的……   以下以ON semi公司的MC100ELT22器件手册外形尺寸图为例来说明一下: 

     

 图1 MC100ELT22外形尺寸   

 如图1所示,每个器件的外形尺寸也无非是这些参数,此图留用,以下解释时随时用到。   SOP封装衍生出很多封装,最常见的有SSOP , TSOP ,TSSOP封装   SSOP——Shrink SOP   TSOP——Thin SOP   TSSOP——Thin Shrink SOP   SSOP与SOP封装的最明显的区别在于SOP封装的引脚间距为1.27mm(图1中的参数G),而在SSOP中引脚间距为0.65mm;TSOP与SOP封装的最明显的区别在于封装器件的高度参数(图1中的参数C)不同,所谓的TSOP嘛,T是thin的简称,瘦一点,这个高肯定要矮一点嘛;至于TSSOP自然就是管脚间距又小身体又瘦啦……   另外还有MSOP封装,QSOP封装,MSOP封装的M有几种解释,有人说成是Miniature,也有说成是Micro,总之吧就是小型的SOP吧,尽寸比SOP小就是了,管脚间距为0.65mm;QSOP封装查得资料不多,见到一种解释Q的意思是Quarter,即四分之一的意思,这个封装的管脚间距更小,好像是0.635mm(有待商榷),说到这个四分之一了,MSOP好像有种说法是二分之一,这个我大概计算了一下,好像指的是器件的面积吧,只能说是一种近似吧……   

 注意:以上提到的引脚间距只是在管脚数量少的时候,当管脚数量多的时候(一般来说大于或等于48)时,引脚间距会更小,变为0.5mm   另外,SOIC封装还分narrow 和 wide两种封装,顾名思义,两种封装的不同自然是主要体现在器件的体宽(图1中的参数B),当管脚总数为14或16及其附近值时尤其注意一下,两者是有区别的……   还得必须说明一点,在图1中的参数指的是器件的外形尺寸,而我们在使用时须在绘制PCB的软件环境中画出其footprint,这个参数和图1中的参数有些不同,(个人认为)footprint的参数肯定要大一些吧……                                       

 。 (本文来源网络整理,目的是传播有用的信息和知识,如有侵权,可联系管理员删除)

版权声明:网站转载的所有的文章、图片、音频视频文件等资料的版权归版权所有人所有。如果本网所选内容的文章作者及编辑认为其作品不宜公开自由传播,或不应无偿使用,请及时联络我们,采取适当措施,避免给双方造成不必要的经济损失。