• 周六. 10 月 18th, 2025

振荡电路用于实时时钟RTC时,频率为啥只能是32.768KHz?-电路图讲解-电子技术方案

3 月 28, 2019

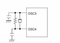
振荡电路用于实时时钟RTC,对于这种振荡电路只能用32.768KHZ 的晶体,晶体被连接在OSC3与OSC4之间而且为了获得稳定的频率必须外加两个带外部电阻的电容以构成振荡电路。   32.768KHZ的时钟晶振产生的振荡信号经过石英钟内部分频器进行15次分频后得到1HZ秒信号,即秒针每秒钟走一下,石英钟内部分频器只能进行15次分频,要是换成别的频率的晶振,15次分频后就不是1HZ的秒信号,时钟就不准了。32.768K=32768=2的15次方,数据转换比较方便、精确。

    

 绝大多数的MCU爱好者MCU晶体两边要接一个22pF附近的电容不理解,因为这个电容有些时候是可以不要的。参考很多书籍,讲解的很少,往往提到最多的是起稳定作用,负载电容之类的话,都不是很深入理论的分析。问题是很多爱好者不去关心这两个电容,他们认为按参考设计做就行了,本人也是如此,直到有一次一个手机项目就因为这个电容出了问题,损失了几百万之后,才开始真正的考虑这个电容的作用。其实MCU的振荡电路的真名叫“三点式电容振荡电路”,请参考图片。     

 晶体,相当于三点式里面的电感,C1和C2就是电容,5404和R1实现一个NPN的三极管,大家可以对照高频书里的三点式电容振荡电路。接下来分析一下这个电路。   5404必需要一个电阻,不然它处于饱和截止区,而不是放大区,R1相当于三极管的偏置作用,让5404处于放大区域,那么 5404 就是一个反相器,这个就实现了NPN三极管的作用,NPN 三极管在共发射极接法时也是一个反相器。   接下来用通俗的方法讲解一下这个三点式振荡电路的工作原理,大家也可以直接看书。 

大家知道一个正弦振荡电路要振荡的条件是,系统放大倍数大于1,这个容易实现,相位满足360°接下来主要讲解这个相位问题:5404因为是反相器,也就是说实现了 180°移相,那么就需要C1,C2和Y1实现180°移相就可以,恰好,当C1、C2,Y1 形成谐振时,能够实现 180 移相,这个大家最简单的可以以地作为参考,谐振的时候,C1、C2上通过的电流一样,地在C1、C2 中间,所以恰好电压相反,实现 180 移相。

 当 C1增大时,C2端的振幅增强,当C2降低时,振幅也增强。   有些时候C1,C2不焊也能起振,这个不是说没有C1,C2,而是因为芯片引脚的分布电容 引起的,因为本来这个C1,C2就不需要很大,所以这一点很重要。接下来分析这两个电容 对振荡稳定性的影响。因为7404的电压反馈是靠C2的,假设C2过大,反馈电压过低,这个也是不稳定,假设C2过小,反馈电压过高,储存能量过少,容易受外界干扰,也会辐射影响外界。

C1的作用对C2恰好相反。因为我们布板的时候,假设双面板,比较厚的,那么分布电容的影响不是很大,假设在高密度多层板时,就需要考虑分布电容,尤其是VCO之类的振荡电路,更应该考虑分布电容。   有些用于工控的项目,建议不要用晶体的方法振荡,二是直接接一个有源的晶振 很多时候大家会用到 32.768K 的时钟晶体来做时钟,而不是用单片机的晶体分频后来做时钟,这个原因很多人想不明白,其实这个跟晶体的稳定度有关,频率越高的晶体,Q 值一般难以做高,频率稳定度不高,32.768K的晶体稳定度等各方面都不错,形成了一个工业标准, 比较容易做高。                                          

。 (本文来源网络整理,目的是传播有用的信息和知识,如有侵权,可联系管理员删除)

版权声明:网站转载的所有的文章、图片、音频视频文件等资料的版权归版权所有人所有。如果本网所选内容的文章作者及编辑认为其作品不宜公开自由传播,或不应无偿使用,请及时联络我们,采取适当措施,避免给双方造成不必要的经济损失。