• 周六. 10 月 18th, 2025

模拟电路八大基础电路分析-电路图讲解-电子技术方案

4 月 26, 2019

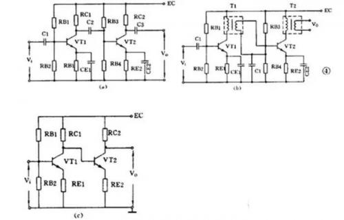
在电子电路中,电源、放大、振荡和调制电路被称为模拟电子电路,因为它们加工和处理的是连续变化的模拟信号。   1. 反馈 反馈是指把输出的变化通过某种方式送到输入端,作为输入的一部分。如果送回部分和原来的输入部分是相减的,就是负反馈。   2. 耦合 一个放大器通常有好几级,级与级之间的联系就称为耦合。放大器的级间耦合方式有三种:   ①RC 耦合(见图a): 优点是简单、成本低。但性能不是最佳。   ② 变压器耦合(见图b):优点是阻抗匹配好、输出功率和效率高,但变压器制作比较麻烦。

     

 ③ 直接耦合(见图c): 优点是频带宽,可作直流放大器使用,但前后级工作有牵制,稳定性差,设计制作较麻烦。   3. 功率放大器 能把输入信号放大并向负载提供足够大的功率的放大器叫功率放大器。例如收音机的末级放大器就是功率放大器。   3.1 甲类单管功率放大器 

     

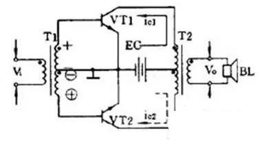
 负载电阻是低阻抗的扬声器,用变压器可以起阻抗变换作用,使负载得到较大的功率。   这个电路不管有没有输入信号,晶体管始终处于导通状态,静态电流比较大,困此集电极损耗较大,效率不高,大约只有 35 %。这种工作状态被称为甲类工作状态。这种电路一般用在功率不太大的场合,它的输入方式可以是变压器耦合也可以是 RC 耦合。   3.2 乙类推挽功率放大器 下图是常用的乙类推挽功率放大电路。

     

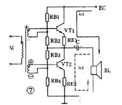
 它由两个特性相同的晶体管组成对称电路,在没有输入信号时,每个管子都处于截止状态,静态电流几乎是零,只有在有信号输入时管子才导通,这种状态称为乙类工作状态。当输入信号是正弦波时,正半周时 VT1 导通 VT2 截止,负半周时 VT2 导通 VT1 截止。两个管子交替出现的电流在输出变压器中合成,使负载上得到纯正的正弦波。这种两管交替工作的形式叫做推挽电路。   3.3 OTL 功率放大器 目前广泛应用的无变压器乙类推挽放大器,简称 OTL 电路,是一种性能很好的功率放大器。为了易于说明,先介绍一个有输入变压器没有输出变压器的 OTL 电路,如下图所示。

                                           

 。 (本文来源网络整理,目的是传播有用的信息和知识,如有侵权,可联系管理员删除)

版权声明:网站转载的所有的文章、图片、音频视频文件等资料的版权归版权所有人所有。如果本网所选内容的文章作者及编辑认为其作品不宜公开自由传播,或不应无偿使用,请及时联络我们,采取适当措施,避免给双方造成不必要的经济损失。