• 周六. 10 月 18th, 2025

经典弱信号测试及误差分析-电路图讲解-电子技术方案

3 月 29, 2019

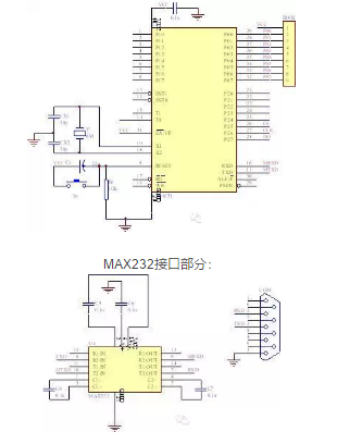
本次设计硬件部分主要由信号放大、交直流转换、AD转换、量程转换、用于数据采集和数据传输的单片机、接口芯片、串口以及PC机等部分构成。首先, 在PC机生成一个用于控制量程转换和数据显示的窗口;先根据输入的周期性交流信号电压幅度的大致范围选定量程,根据所选择的量程发送信息到单片机,然后通过单片机选通主要由CD4051所组成的量程调节部分中三个档位中的一个(CD4051其实是一个8通道模拟开关,这次设计实际上只用到了其中3个通道, 依据每个通道所连接的电阻大小而构成了3个测量档位),被选通的档位所连接的不同大小的反馈电阻与运放OP07构成了一个正向负反馈放大电路,从而使得放 大电路对输入信号进行不同倍数的放大;被放大的信号经过交直流转换电路,交流信号转换成直流信号,其电压等于交流信号的有效值,直流信号再通过AD芯片转换成数字信号,单片机读AD芯片进行数据采集然后通过串口传送到PC机进行显示。   硬件设计框图:     由示意图可以看出,被测量的周期性交流信号首先经过运放OP07进行放大,被放大的信号经过交直流转换器AD637转换为直流信号,然后由ADC0831 进行AD转换,单片机对转换后的数字信号进行采集,最后被采样的数据通过串口输出到PC机上进行显示。其中根据输入信号的电压范围需分别进行放大,该部分 主要依靠对单片机编程控制多路开关CD4051来实现。   各主要电路部分说明 信号放大部分:(信号放大部分由运放OP07和多路模拟开关CD4051组成)       交直流转换部分:(交直流转换部分将放大后的交流信号转换为直流信号)       AD转换部分:(AD转换部分由AD0831构成,将模拟信号转换为数字信号)       主控制部分:(单片机89C51将采集的数据通过串口发送到PC机控制窗口进行显示)                                              

。 (本文来源网络整理,目的是传播有用的信息和知识,如有侵权,可联系管理员删除)

版权声明:网站转载的所有的文章、图片、音频视频文件等资料的版权归版权所有人所有。如果本网所选内容的文章作者及编辑认为其作品不宜公开自由传播,或不应无偿使用,请及时联络我们,采取适当措施,避免给双方造成不必要的经济损失。