• 周六. 10 月 18th, 2025

大神课堂 | 开关电源的11种拓扑结构-电路图讲解-电子技术方案

6 月 25, 2019

1、基本名词

    常见的基本拓扑结构

    ■Buck降压
    ■Boost升压
    ■Buck-Boost降压-升压
    ■Flyback反激
    ■Forward正激
    ■Two-Transistor Forward双晶体管正激
    ■Push-Pull推挽
    ■Half Bridge半桥
    ■Full Bridge全桥
    ■SEPIC
    ■C’uk

    基本的脉冲宽度调制波形
    这些拓扑结构都与开关式电路有关。

    基本的脉冲宽度调制波形定义如下:

 

    2、Buck降压

 

    特点

    ■把输入降至一个较低的电压。
    ■可能是最简单的电路。
    ■电感/电容滤波器滤平开关后的方波。
    ■输出总是小于或等于输入。
    ■输入电流不连续 (斩波)。
    ■输出电流平滑。

  3、Boost升压

 

    特点

    ■把输入升至一个较高的电压。
    ■与降压一样,但重新安排了电感、开关和二极管。
    ■输出总是比大于或等于输入(忽略二极管的正向压降)。
    ■输入电流平滑。
    ■输出电流不连续 (斩波)。

    4、Buck-Boost降压-升压

 

 

    特点

    ■电感、开关和二极管的另一种安排方法。
    ■结合了降压和升压电路的缺点。
    ■输入电流不连续 (斩波)。
    ■输出电流也不连续 (斩波)。
    ■输出总是与输入反向 (注意电容的极性),但是幅度可以小于或大于输入。
    ■“反激”变换器实际是降压-升压电路隔离(变压器耦合)形式。

    5、Flyback反激

 

    特点

    ■如降压-升压电路一样工作,但是电感有两个绕组,而且同时作为变压器和电感。
    ■输出可以为正或为负,由线圈和二极管的极性决定。
    ■输出电压可以大于或小于输入电压,由变压器的匝数比决定。
    ■这是隔离拓扑结构中最简单的
    ■增加次级绕组和电路可以得到多个输出。

    6、Forward正激

 

 

    特点

    ■降压电路的变压器耦合形式。
    ■不连续的输入电流,平滑的输出电流。
    ■因为采用变压器,输出可以大于或小于输入,可以是任何极性。
    ■增加次级绕组和电路可以获得多个输出。
    ■在每个开关周期中必须对变压器磁芯去磁。常用的做法是增加一个与初级绕组匝数相同的绕组。
    ■在开关接通阶段存储在初级电感中的能量,在开关断开阶段通过另外的绕组和二极管释放。

    7、Two-Transistor Forward双晶体管正激

 

    特点

    ■两个开关同时工作。
    ■开关断开时,存储在变压器中的能量使初级的极性反向,使二极管导通。
    ■主要优点:
    ■每个开关上的电压永远不会超过输入电压。
    ■无需对绕组磁道复位。

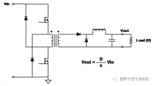
    8、Push-Pull推挽

 

    特点

    ■开关(FET)的驱动不同相,进行脉冲宽度调制(PWM)以调节输出电压。
    ■良好的变压器磁芯利用率—在两个半周期中都传输功率。
    ■全波拓扑结构,所以输出纹波频率是变压器频率的两倍。
    ■施加在FET上的电压是输入电压的两倍。

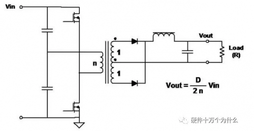
    9、Half-Bridge半桥

 

    特点

    ■较高功率变换器极为常用的拓扑结构。
    ■开关(FET)的驱动不同相,进行脉冲宽度调制(PWM)以调节输出电压。
    ■良好的变压器磁芯利用率—在两个半周期中都传输功率。而且初级绕组的利用率优于推挽电路。
    ■全波拓扑结构,所以输出纹波频率是变压器频率的两倍。
    ■施加在FET上的电压与输入电压相等。

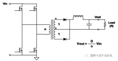
    10、Full-Bridge全桥

 

    特点

    ■较高功率变换器最为常用的拓扑结构。
    ■开关(FET)以对角对的形式驱动,进行脉冲宽度调制(PWM)以调节输出电压。
    ■良好的变压器磁芯利用率—在两个半周期中都传输功率。
    ■全波拓扑结构,所以输出纹波频率是变压器频率的两倍。
    ■施加在 FETs上的电压与输入电压相等。
    ■在给定的功率下,初级电流是半桥的一半。

。 (本文来源网络整理,目的是传播有用的信息和知识,如有侵权,可联系管理员删除)

版权声明:网站转载的所有的文章、图片、音频视频文件等资料的版权归版权所有人所有。如果本网所选内容的文章作者及编辑认为其作品不宜公开自由传播,或不应无偿使用,请及时联络我们,采取适当措施,避免给双方造成不必要的经济损失。