• 周六. 10 月 18th, 2025

探究7812稳压块的稳压极限-电路图讲解-电子技术方案

6 月 30, 2019

这种电路最小压差是2.5伏,所以也就是最高允许电压与最小压差的下的输入电压。32-14.5V.如果加足够的散热片,能输出1.5A左右的电流。否则过热会自动关闭,不会烧毁。多数厂商如ON、TOSHIBA、UTC、NS、KEC、FS、PANASONIC的产品最大输出电流是1A;少数厂商如ST、LINEAR、TI的产品是1.5A;还有个别厂商的产品最大输出电流只有100mA(例如HI-SINCERITY)。

 

但是除了最大输出电流的限制以外,还有耗散功率的限制,也就是说输出电流和输入-输出电压差的乘积也不能超出规定值,当输入-输出电压差较大的情况下尤其要注意功耗问题。功耗这个参数和封装外形、环境温度、使用中的散热设计等因素都有关联。过热保护功能有时并不能确保器件安全,所以厂家在数据手册中都会给出最大允许耗散功率和环境温度的关系。

 

7812主要参数

输出直流电压 U0=+12V,输出电流 L:0.1A,M:0.5A,电压调整率 10mV/V,输出电阻 R0=0.15Ω,输入电压UI的范围15~17V 。因为一般UI要比 U0大3~5V ,才能保证集成稳压器工作在线性区。

 

7812用途与特点

主要用途:

适用于各种电源稳压电路。

 

主要特点:

输出稳定性好、使用方便、输出过流、过热自动保护。

 

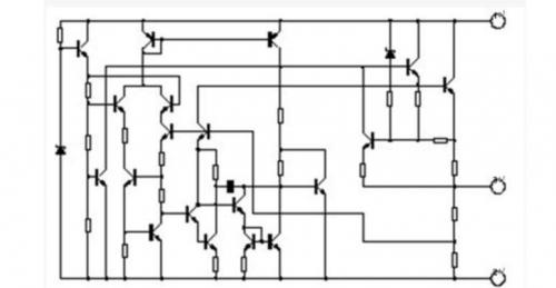
7812内部电路图

 

 

7812极限值

 

 

7812电特性

 

 

(V除非特别说明:I=19V,IO=0.5A,C1=0.33?F,C0=0.1?F,0℃

 

7812构成的串联型稳压电源电路

图2 是用三端式稳压器W7812构成的单电源电压输出串联型稳压电源的实验电路图。其中整流部分采用了由四个二极管组成的桥式整流器成品(也叫整流堆,型号为2W06),当然也可以自已用四个速流二极管(如,IN4001)组成。滤波电容C1、C2一般选取几百~几千微法。当稳压器距离整流滤波电路比较远时,在输入端必须接入电容器C3(数值为0.33μF ),以抵消线路的电感效应,防止产生自激振荡。输出端电容C4(0.1μF)用以滤除输出端的高频信号,改善电路的暂态响应。

。 (本文来源网络整理,目的是传播有用的信息和知识,如有侵权,可联系管理员删除)

版权声明:网站转载的所有的文章、图片、音频视频文件等资料的版权归版权所有人所有。如果本网所选内容的文章作者及编辑认为其作品不宜公开自由传播,或不应无偿使用,请及时联络我们,采取适当措施,避免给双方造成不必要的经济损失。