• 周六. 10 月 18th, 2025

方波和锯齿波振荡电路设计-电路图讲解-电子技术方案

6 月 16, 2019

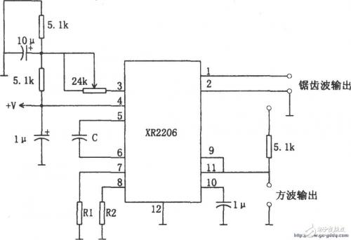
如图所示为方波和锯齿波振荡电路。

 

 

该电路使用函数发生器XR-2206构成所需振荡器。该集成电路能产生高质量的正弦波、方波、锯齿波和脉冲波。本电路利用它产生方波和锯齿波,输出频率由R1、R2以及电容C确定,其振荡频率计算公式为:

 

 

波形的占空比D可从l%调到99%,其计算公式为:

 

D=R1/(R1 R2)

 

R1和R2阻值必须在1kΩ~2MΩ范围内。

。 (本文来源网络整理,目的是传播有用的信息和知识,如有侵权,可联系管理员删除)

版权声明:网站转载的所有的文章、图片、音频视频文件等资料的版权归版权所有人所有。如果本网所选内容的文章作者及编辑认为其作品不宜公开自由传播,或不应无偿使用,请及时联络我们,采取适当措施,避免给双方造成不必要的经济损失。