• 周六. 10 月 18th, 2025

利用4个dsp48e1模块,实现四路加法器-电路图讲解-电子技术方案

4 月 2, 2019

概述

利用4个dsp48e1模块,实现四路加法器,dsp48e1模块在手册中表示比较复杂,找了两个图,可以大致看懂他的基本功能。

 

图1 dsp48e1端口说明

 

图2 简化的DSP48E1结构

 

软件环境

? Matlab 2014 a

? Vivado 2014.4

? System generator 2014.4

 

实现步骤

1、 模型搭建与仿真

在simulink环境下工程搭建如下

 

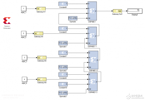
图3 四路加法器原理图

 

模型搭建完毕后,双击system generator ,按照a7试用板的型号设置如下

 

图4 system generator

 

2、vivado仿真

找到输出目录,打开xpr文件,可得完整的vivado工程

 

图5 工程结构

 

直接运行仿真

 

图6 仿真

 

仿真结果

设置4路输入,分别输入: 1,2,3,4(fix_18_0),可得48bit的输出1010b

 

图7 仿真结果

 

分析

还没有用到SIMD功能,不知道为什么,一旦勾选SIMD功能将48bit拆分成4个12bit就会出现报错,可能是我的参数设置有问题,这一步还得继续看一下官方的手册,希望下次能够将这个问题解决。

。 (本文来源网络整理,目的是传播有用的信息和知识,如有侵权,可联系管理员删除)

版权声明:网站转载的所有的文章、图片、音频视频文件等资料的版权归版权所有人所有。如果本网所选内容的文章作者及编辑认为其作品不宜公开自由传播,或不应无偿使用,请及时联络我们,采取适当措施,避免给双方造成不必要的经济损失。