• 周日. 10 月 19th, 2025

倒相式音调控制电路 – 声控电路图讲解

4 月 10, 2019

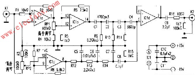
倒相式音调控制电路如上图所示。IClb、IClc分别为高音信号和低音信号倒相缓冲放大器。RPl和RP2分别调整输入高、低音倒相缓冲放大器的信号电平,倒相放大电路承受最大不失真交流信号为lV。Cl、C2、C3、R9、R10、Rll组成高音频响网络,C5、C6、C7、R12、R13、R14组成低音频响网络。为了补偿高音频响网络对高音频段信号的较大衰减。以保持高、低音频响的均衡,增设了ICla前置放大电路。如果适当减少R3、R4的电阻值。可以增加高、低音网络频响特性交叉点的幅值调节范围。电路图中所示电阻值,幅值调节范围在20dB左右。耦合电容C4、C8分别输出倒相处理的高、低音频信号,混合后加到负载电阻R15上,经射随放大器ICld。再通过隔直电容C9及电容性负载限流电阻R16输出。R17起了稳定输出端直流在OV电位的作用。为了使各级放大器增益保持一致。电路选用TL074四运算集成放大器。



        下图表中示出了RPl、RP2在分别调节于最小值位置、中间值位置、最大值位置时的频响变化曲线。当两电位器都置于中间位置时。高低音频响特性在0dB増益上下略微摆动,接近于平直线。

。 (本文来源网友上传,如有侵权,可联系管理员删除)

版权声明:网站转载的所有的文章、图片、音频视频文件等资料的版权归版权所有人所有。如果本网所选内容的文章作者及编辑认为其作品不宜公开自由传播,或不应无偿使用,请及时联络我们,采取适当措施,避免给双方造成不必要的经济损失。