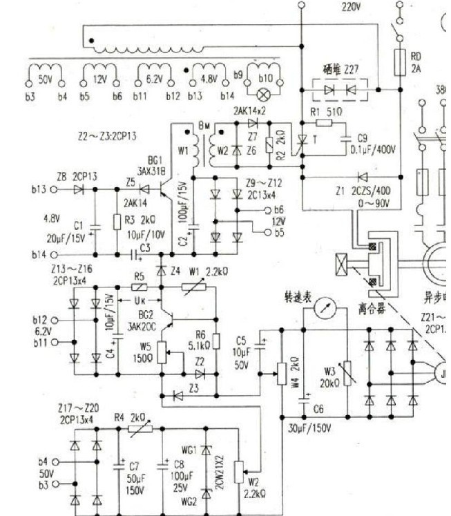
根据实物测绘出电路图见下图,其工作原理如下。
1.主电路
滑差电动机离合器励磁绕组的直流供电,是采用无变压器带续流二极管Z1的半波可控硅整流电路。Z1是保证可控硅在每个半周过零时可靠关断,使装置正常工作。C9、R1是阻容换向过电压保护,Z27起过电压保护。快速熔断器RD起过载保护。
2.控制电路
(1)测速反馈环节:三相交流测速发电机JP与负载同轴相连,转动时产生三相交流电压,经Z21~Z26三相桥式整流和电容C6滤波输出反馈直流信号,电位器W4用来调节反馈量。
(2)给定电压环节:交流50V电压由Z17~Z20桥式整流,C7、R4、C8阻容π型滤波和稳压二极管WG1~WG2稳压后输出一稳定直流电压作为给定电压。电位器W2用以改变给定电压大小以实现电机调速。
(3)比较和放大环节:给定电压与反馈电压进行比较,反馈电压的极性与给定电压的极性相反(相减)比较后输入给晶体管BG2进行放大,在BG2的负载电阻R5上得到放大了的控制电压Uk输入触发器。Z2、Z3对输入信号实行正反向限幅,避免BC2的发射结承受过大的正反向电压而损坏。W1为电压反馈式偏置电阻。
(4)移相和触发环节:采用同步电压为锯齿波的晶体管触发电路。锯齿波形成来自同步变压器的4.8V,正弦电压为正半周时,由Z8半波整流后对C1充电。因Z8正向电阻很小,故C1上的电压基本上与同步电压一样迅速上升,当同步电压由顶峰开始下降。电容C1两端电压大于同步电压时,Z8截止,于是电容C1通过R3放电,由于C1和R3都很大,放电很慢,一直到下一个周期同步电压大于C1电压后,C1又重新充电,因而C1、R3两端形成锯齿波电压。该同步锯齿电压与控制电压合成后,加于晶体管BG1的基极,当锯齿波同步电压高于控制电压时,被Z5反向限制。BG1截止。当同步锯齿电压低于控制电压时,BG1导通。因而有一个集电极电流通过脉冲变压器Bm的一次侧绕组W1,二次侧绕组W2输出一个正脉冲。Z6、Z7是保证只有正脉冲输送给晶闸管的控制极,负脉冲被Z6短路,R2是用来调节输出功率。右图是触发电路的各点波形,由图中可见,改变控制电压Uk的大小。即可以改变控制电压与同步锯齿波电压的交点移动达到移相的目的。
(5) 自动稳速:比如当负荷加重或电源电压降低时→异步电机转速↓→测速发电机 JF( 输出电压 ) ↓→反馈电压 Uf ↓→给定电压 Ug
↑→ BG2Ue-b ↑→ BG2IC ↑→ UR5 ↑ (R5 两端电压 ) → Uk ↓→ Bm
输出脉冲前移↑→导通角增大↑→离合器的励磁电压增加 ,
因而转速上升。反之转速下降。结果使离合器的励磁电压自动增加而保持转速近似不变,这就增加了电动机机械特性的硬度。

常见故障
(1)离合器只能在低速运转。转速调不高。原因是续流二极管损坏而开路。
(2)当调节W2旋至最高转速位置时,离合器仍不能达到额定转速。原因是反馈信号过大,首先检查W4是否良好,如果没问题则调节W4减小反馈量。
(3)调速电位器置于零位,可控硅仍有输出。根据以往检修经验,主要是BG2工作点发生了变化造成R5两端电压较高,使得触发器仍有触发脉冲输出,只要更换BG2的偏置电阻W1即可。
(4)滑差离合器不工作。如果同步电压正常(4.8V/6.2V/50V),只要把电阻R2更换掉,故障就能排除。笔者在修理中曾发现电阻。R2开路或有虚焊而造成脉冲变压器输出的脉冲电压幅度减小,无法触发可控硅导通。
。 (本文来源网友上传,如有侵权,可联系管理员删除)
版权声明:网站转载的所有的文章、图片、音频视频文件等资料的版权归版权所有人所有。如果本网所选内容的文章作者及编辑认为其作品不宜公开自由传播,或不应无偿使用,请及时联络我们,采取适当措施,避免给双方造成不必要的经济损失。