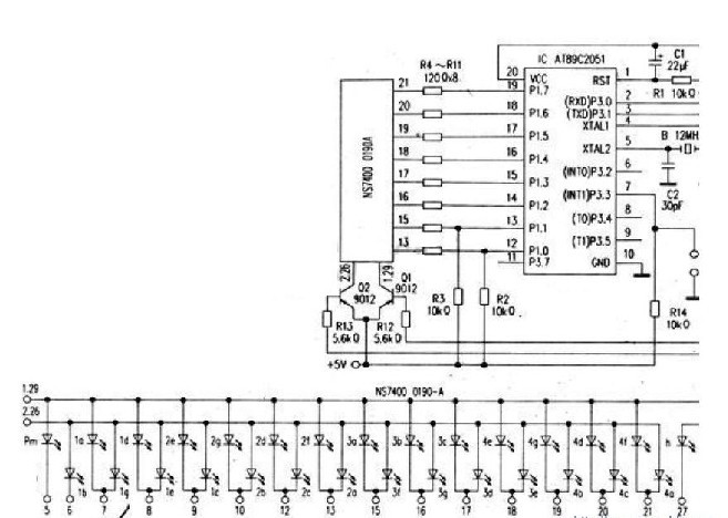
电路如上图所示。C1、R1为上电复位电路,K为启动/暂停开关。IC用AT89C2051.其P1.O、P1.1口也是内部比较器的输入端。为保证程序运行正常,需外接上拉电阻。R4-R11为LED限流电阻,若亮度不够可不用。LED动态显示屏采用DN74000190A。下图为其原理图,为简化电路,仅用LED动态显示屏的后两位。本电路很简单,其主要工作在于软件设计。而软件设计的关键又在于数码显示表格的编制及安排。由于动态显示屏的引脚为分时复用的,所以编制其数码显示表格比用七段LED数码复杂一些。可在草稿纸上先画上表格,依据O-9的数字,亮的段位填O,熄灭段位填1。
将所得二进制码转换成十六进制码,就得到所需的编码表。程序运行时,首先调用1.29脚为正时个位数字的编码,暂存于R7中,再调十位数字的编码与R7进行逻辑与运算。结果送P1口显示两位数字的半段。然后调2.26脚为正时十位数字的编码暂存R6中,再调个位数字的编码与R6进行逻辑与运算。结果送P1口显示两位数字的剩下半段,合成完整的数字显示。
程序设计为0~99秒计时,以方便检查程序及编码表格是否正确。适当改动软件即可构成0~99分钟、O-99小时的计时器。用于生活工作中。如汽车美容店用的洗车机。按厂家使用说明书要求,每工作100小时必须更换机油,但是由于每天开机时间不同。很难做到按时换油,在机子上安装本计时器后就解决了此问题。本文就是由这样的电路简化而成的。

。 (本文来源网友上传,如有侵权,可联系管理员删除)
版权声明:网站转载的所有的文章、图片、音频视频文件等资料的版权归版权所有人所有。如果本网所选内容的文章作者及编辑认为其作品不宜公开自由传播,或不应无偿使用,请及时联络我们,采取适当措施,避免给双方造成不必要的经济损失。