• 周日. 10 月 19th, 2025

HW8502型无绳电话手机充电电路 – 消费类电子电路图讲解

4 月 27, 2019

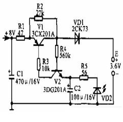
该电路充电电流随着电池电压逐渐上升而减少,当电池充满时,充电电流维持在20mA左右。如图为HW8502型无绳电话手机充电电路:

HW8502型无绳电话手机充电电路

 

。 (本文来源网友上传,如有侵权,可联系管理员删除)

版权声明:网站转载的所有的文章、图片、音频视频文件等资料的版权归版权所有人所有。如果本网所选内容的文章作者及编辑认为其作品不宜公开自由传播,或不应无偿使用,请及时联络我们,采取适当措施,避免给双方造成不必要的经济损失。