• 周日. 10 月 19th, 2025

5V升压到30V的DC/DC电路图讲解 – 调压电路图讲解

5 月 24, 2019

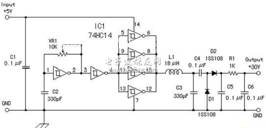
5V升压到30V的DC/DC电路图:

5V升压到30V的DC/DC电路图

 

 

。 (本文来源网友上传,如有侵权,可联系管理员删除)

版权声明:网站转载的所有的文章、图片、音频视频文件等资料的版权归版权所有人所有。如果本网所选内容的文章作者及编辑认为其作品不宜公开自由传播,或不应无偿使用,请及时联络我们,采取适当措施,避免给双方造成不必要的经济损失。