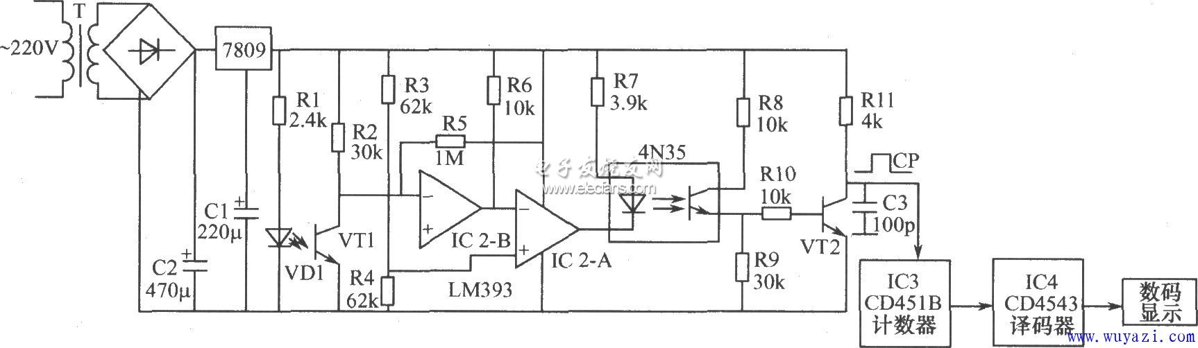
当有物体通过红外发光二极管VD1和接收管VT1之间,红外线被挡住,VT1截止,IC2-A的1脚输出高电平,4N35截止,VT2截止,VT2集电极输出高电平,故当有物体通过VT1时,便在VT2集电极上输出计数脉冲信号,该信号送到十进制计数器,再送到译码显示电路,显示出相应的数据。
当光敏三极管VT1接收到红外发光二极管射来的红外光线时,VT1导通,比较器IC2-B的反相输入端6脚为低电平,7脚输出高电平,加到比较器IC2-A的反相输入端,使1脚输出低电平,则光电耦合器4N35内的发光管点亮,对应的光敏管导通,三极管VT2也导通,VT2集电极输出低电平。

。 (本文来源网友上传,如有侵权,可联系管理员删除)
版权声明:网站转载的所有的文章、图片、音频视频文件等资料的版权归版权所有人所有。如果本网所选内容的文章作者及编辑认为其作品不宜公开自由传播,或不应无偿使用,请及时联络我们,采取适当措施,避免给双方造成不必要的经济损失。