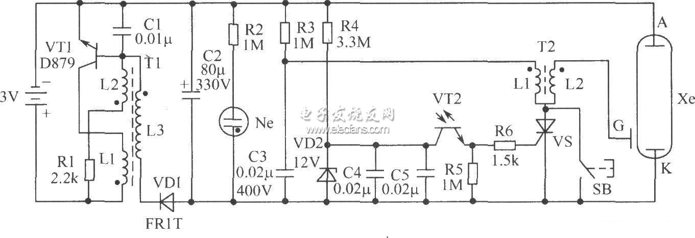
摄影爱好者在室内进行静物或人像摄影创作时,摄影灯光的布置是个重要的环节,除了大功率摄影灯外,利用如图所示的同步闪光灯是投资少、节约能源的选择。电池供电的同步闪光灯原理图:
。 (本文来源网友上传,如有侵权,可联系管理员删除)
版权声明:网站转载的所有的文章、图片、音频视频文件等资料的版权归版权所有人所有。如果本网所选内容的文章作者及编辑认为其作品不宜公开自由传播,或不应无偿使用,请及时联络我们,采取适当措施,避免给双方造成不必要的经济损失。
摄影爱好者在室内进行静物或人像摄影创作时,摄影灯光的布置是个重要的环节,除了大功率摄影灯外,利用如图所示的同步闪光灯是投资少、节约能源的选择。电池供电的同步闪光灯原理图:
。 (本文来源网友上传,如有侵权,可联系管理员删除)
版权声明:网站转载的所有的文章、图片、音频视频文件等资料的版权归版权所有人所有。如果本网所选内容的文章作者及编辑认为其作品不宜公开自由传播,或不应无偿使用,请及时联络我们,采取适当措施,避免给双方造成不必要的经济损失。