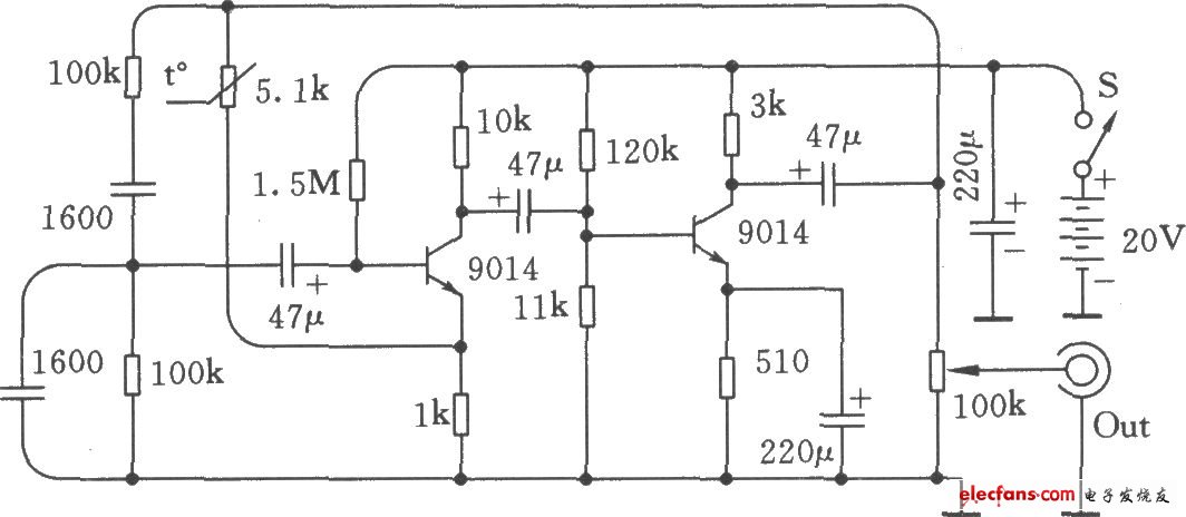
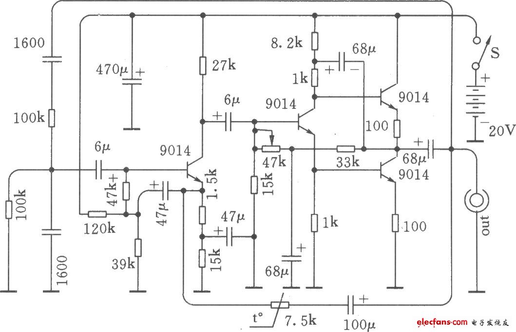
这里介绍的两个电路,性能都很好,适合自己动手制作。图中的两只100kΩ的电阻和两只1600pF的电容决定了RC串并联选频电路的振荡频率,计算公式为f=1÷(6.28&TImes;R&TImes;C)。图中RC电路选定的频率为l000Hz。有一点要留意,串并联网络里上下两只电阻和电容的数值必须相同。文氏桥低频信号发生器原理图:


。 (本文来源网友上传,如有侵权,可联系管理员删除)
版权声明:网站转载的所有的文章、图片、音频视频文件等资料的版权归版权所有人所有。如果本网所选内容的文章作者及编辑认为其作品不宜公开自由传播,或不应无偿使用,请及时联络我们,采取适当措施,避免给双方造成不必要的经济损失。