• 周日. 10 月 19th, 2025

沃布尔振荡器电路 – 信号处理电子电路图讲解

6 月 14, 2019

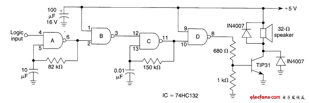
沃布尔振荡器电路中A和B组成2Hz振荡器,成为C和D门,C和D组成一个1kHz的振荡器,驱动TIP31扬声器驱动器。

沃布尔振荡器电路
 

。 (本文来源网友上传,如有侵权,可联系管理员删除)

版权声明:网站转载的所有的文章、图片、音频视频文件等资料的版权归版权所有人所有。如果本网所选内容的文章作者及编辑认为其作品不宜公开自由传播,或不应无偿使用,请及时联络我们,采取适当措施,避免给双方造成不必要的经济损失。