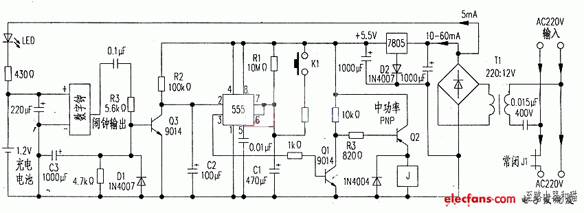
电路如附图所示(点击放大).通电时+5.5V电源通过R1对C1充电,同时也通过R2对C2充电,但由于R1、C1的时间常数很大.所以C2先充好电。由于555的第②脚的电压高于第⑥、⑦脚,它的第③脚便会输出低电平,致使Q1截止,Q2导通,继电器J吸合,触点J1断开,220V输出被截断。C1上的电压由于充电会慢慢升上来.约1.5小时后,第⑥、⑦脚电压就高于第②脚,555立即翻转,第③脚输出变成高电平,致使Q1导通,Q2截止,继电器J释放,J1闭合,才有了220V输出,路由器和猫即得电而工作。也就是说此设备通电后约1.5小时方能正常工作。

为加快首次开机的时间.电路中设置了按钮开关K1.其作用是加速C1的充电过程.从而促使Q2迅速截止,继电器J释放,J1闭合.使路由器和猫迅速得电而工作起来。若遇到停电,也可用按K1的办法来快速开机。
把闹钟设到半夜4:00.届时闹钟响了,铃声输出的音频交流电.经D1整流成直流正电压,加到Q3基极,使它导通,于是其集电极电压下降,促使555第②脚的电压低于第⑥、⑦脚,555立即翻转,第③脚输出又变成低电平,致使Q1截止,Q2导通,继电器J吸合,J1断开,220V又没有了输出,路由器和猫即失电而休息。因为充电,C1上的电压会慢慢升上来,1.5小时后.又重复循环一个过程。
就是说,只要555第②脚不受到触发的话,Q2就一直维持截止,继电器也不会吸合.220V一直都有输出.路由器和猫将持续工作。所以数字钟的作用只是让路由器和猫每天休息1.5小时左右。555的作用只是一个延时器,因为闹钟只能闹一分钟.达不到1.5小时。555的延时长短约为1.1乘以R1C1,即1.1&TImes;10MΩ&TImes;470μF=5170秒(约等于1.44小时)。其实延时到3小时最好,但电解电容C1要增加到1000μF,这一来漏电也增加,电路会不稳定。
数字钟(或数字表)用浮充法供电,充电电流是流经LED的,所以它总是亮着.故可兼作指示灯及照明灯。变压器T1采用12V/1w的。为节电,特串入0.15电容。因继电器线包为6V/60mA,其实5.5V供电已能可靠工作。在稳压集成块7805上串接硅二极管.其输出即变成5.5V,这可以省一点电。图中R3、C3以及C2都有抗干扰和对闹铃信号进行滤波的作用。继电器设计的是用常闭触点来接通路由器和猫,所以每天22.5个小时其线包都不通电.为该装置节约了电力。
。 (本文来源网友上传,如有侵权,可联系管理员删除)
版权声明:网站转载的所有的文章、图片、音频视频文件等资料的版权归版权所有人所有。如果本网所选内容的文章作者及编辑认为其作品不宜公开自由传播,或不应无偿使用,请及时联络我们,采取适当措施,避免给双方造成不必要的经济损失。