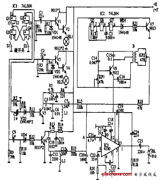
电子摇马是在原有的木马上装上发声发光的电子装置而制成的。当小孩坐在木马上前后摇动时,木马的双眼闪烁发光,同时可听到逼真的马蹄声及马的嘶叫声,增加了玩具的吸引力。

。 (本文来源网友上传,如有侵权,可联系管理员删除)
版权声明:网站转载的所有的文章、图片、音频视频文件等资料的版权归版权所有人所有。如果本网所选内容的文章作者及编辑认为其作品不宜公开自由传播,或不应无偿使用,请及时联络我们,采取适当措施,避免给双方造成不必要的经济损失。
电子摇马是在原有的木马上装上发声发光的电子装置而制成的。当小孩坐在木马上前后摇动时,木马的双眼闪烁发光,同时可听到逼真的马蹄声及马的嘶叫声,增加了玩具的吸引力。

。 (本文来源网友上传,如有侵权,可联系管理员删除)
版权声明:网站转载的所有的文章、图片、音频视频文件等资料的版权归版权所有人所有。如果本网所选内容的文章作者及编辑认为其作品不宜公开自由传播,或不应无偿使用,请及时联络我们,采取适当措施,避免给双方造成不必要的经济损失。