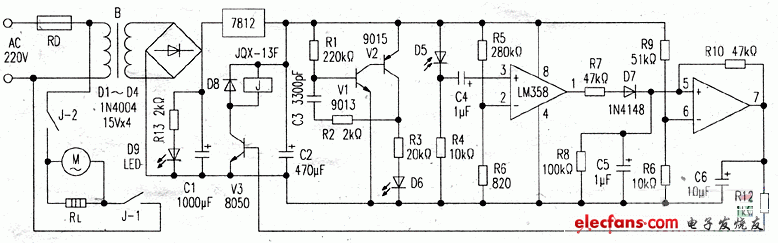
一、电路原理
电路中由V1、V2、R1、C3构成一个40kHz振荡器,其输出驱动红外管D6发出40kHz的红外线光。当人手伸到干手器下方时,被手反射的红外线由光电管D5接收.将其转换成半波脉动直流信号.该信号经C4耦合到第一级运放的正输入端进行放大,负端加入一个小的偏置电压,防止小信号干扰。从①脚输出放大后的信号给R7、D7、C5整形及平滑处理成为直流信号。送到第二级运放⑤脚正输入端进行比较放大。第二级运放翻转阈值由⑥脚负输入端外接的R9、R11分压决定。R10是运放的正反馈电阻,与C5、C6共同构成延时电路,防止被探测的手活动时.产生的干扰导致断电现象。当运放⑦脚输出高电平时V3导通.控制继电器接通加热器和吹风机的电源。

二、常见故障原因及排除
故障1:通电后指示灯亮.但伸手后无热风吹出。
分析风机和加热器同时发生故障的可能性很小,多见为继电器坏或未动作,而J不动作可能为V3不导通;运放无输出;D6、D5失效;V1、V2未起振或7812损坏导致无12V电压。
检查时先测有无12V电压,若有,伸手试探并测运放⑦脚电平有无变化。有变化,向后查V3和继电器;无变化,向前查运放电路、光电转换及振荡电路。
故障2:通电后指示灯亮.但感应灵敏度低。
此故障除了运放电路有异常外,多见为红发射和接收管被灰尘污染所致.清洗即可。
。 (本文来源网友上传,如有侵权,可联系管理员删除)
版权声明:网站转载的所有的文章、图片、音频视频文件等资料的版权归版权所有人所有。如果本网所选内容的文章作者及编辑认为其作品不宜公开自由传播,或不应无偿使用,请及时联络我们,采取适当措施,避免给双方造成不必要的经济损失。