本文介绍的电路我们暂且称其为“仿声原理电子驱鼠器”,它不是我们常见的利用高强度超声波驱赶老鼠的工作方式,而是利用电子电路产生一种逼真的猫叫声,用模拟出来的这种叫声吓阻老鼠不让其在一定范围内活动。至于这种驱鼠方式是否有效或者是否长期有效不得而知,城郊和乡村的电子爱好者有时间可以自制实验。电路中的KD5605猫叫声模拟电路并不好找,可以用另外的相似集成电路或555电路搭建亦或于分立元件搭建,这里不详述这方面内容。
这个电路即以“仿声原理电子驱鼠器”工作设想制作,可以控制猫叫声的持续时间和每次叫声间隔时间(由555电路控制)、猫叫声的音调(由KD5605外接电阻调整)。电路由555时基电路组成的时间控制器、KD5605猫叫声模拟集成电路和LM386组成的音频功率放大电路组成。
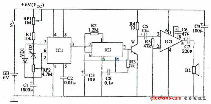
以下是电路图:

电路工作原理
接通电源开关S后,电路通电工作。由于开机瞬问电容器C1两端电压不能突变,IC1的2脚和6脚为低电平,3脚输出高电平,使猫叫声模拟集成电路IC2受触发而工作,输出猫叫声电信号。
该信号经三极管V放大后再由C5耦合给IC3放大,最后驱动扬声器BL发出响亮的猫叫声。与此同时,+6V(Vcc)电压经电位器RPl、电阻器R1和二极管VD1向电容器C1充电,使C1两端电压不断升高,当IC1的2脚和6脚电压上升至Vcc2/3(约4v)时,IC1的3脚由高电平变为低电平,使IC2 和IC3等停止工作,扬声器BL停止发声。
此时电容器C1又通过电位器RP2、二极管VD2和IC1的7脚内部电路放电,使C1两端电压逐渐下降,当IC1的2脚和6脚电压降至Vcc1/3(约2v)时,IC1的3脚又变为高电平,使IC2和IC3等工作,扬声器BL又发出猫叫声。
调节RP1的阻值,可以改变猫叫声的持续时间 (在10min内连续可调)。
调节RP2的阻值,可以改变每次猫叫声的时间间隔 (可在1h内连续可调),改变R2的电阻值,可以改变猫叫声的音调,使猫叫声更逼真。
元器件选择
R1-R5选用1/4W或1/8W碳膜电阻器。
RP1和RP2可选用小型实心电位器或WH7型可变电阻器。
C1、C3-C7均选用耐压值为16v的铝电解电容器;C2和C8均选用瓷介电容器。
VD1和VD2均选用1N4148型硅开关二极管。
V选用S9013或3DG12型硅NPN型晶体管。
IC1选用NE555时基集成电路;IC2选用KD5605型猫叫声专用集成电路;IC3选用LM386型音频功率放大集成电路。
S选用小型拨动式开关或按键自锁式开关。
BL选用0.25-0.5W/8Ω电动式扬声器。
。 (本文来源网友上传,如有侵权,可联系管理员删除)
版权声明:网站转载的所有的文章、图片、音频视频文件等资料的版权归版权所有人所有。如果本网所选内容的文章作者及编辑认为其作品不宜公开自由传播,或不应无偿使用,请及时联络我们,采取适当措施,避免给双方造成不必要的经济损失。