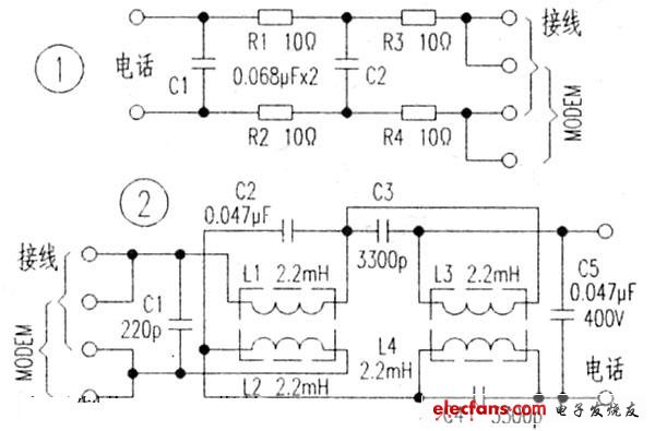
一款市售ADSL数据语音分离器(同时连接电脑与电话机.可边打电话边上网),售价6.8元.拆开一看,线路极简单,稍作改进后公布于此,供爱好者自制。
这是一款RC结构的电路(见图1),已改进,与市售略有不同。另外,再提供一款LC结构的电路,供爱好者参考(见图2)。LC组合的数据语音分离度更高,上网更加稳定,不易掉线,电话的音质也更好。选用电容元件时注意耐压应大于400V。

。 (本文来源网友上传,如有侵权,可联系管理员删除)
版权声明:网站转载的所有的文章、图片、音频视频文件等资料的版权归版权所有人所有。如果本网所选内容的文章作者及编辑认为其作品不宜公开自由传播,或不应无偿使用,请及时联络我们,采取适当措施,避免给双方造成不必要的经济损失。