• 周一. 10 月 20th, 2025

密码锁硬件电路原理图 – 嵌入式类电子电路图讲解

5 月 22, 2019

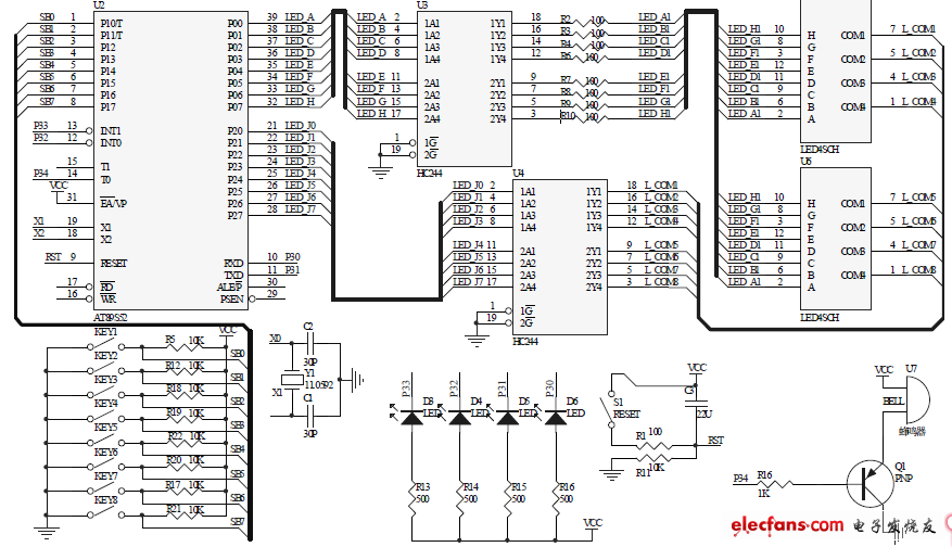
  采用MCS51 系列单片机At89S51 作为主控制器,外围电路器件包括数码管驱动、蜂鸣器的输出驱动、独立式键盘以及发光二极管的输出等。数码管驱动采用2 个四联共阴极数码管显示,由于单片机驱动能力有限,采用74HC244 作为数码管的驱动。在74HC244 的7 段码输出线上串联100 欧姆电阻起限流作用。蜂鸣器的驱动采用PNP 三极管8550 来驱动,低电平有效。

  独立式按键使用上提拉电路连接,在没有键按下时,输出高电平。发光二极管串联500 欧姆电阻再接到电源上,当输入为低电平时,发光二极管导通发光。硬件电路原理图如图1所示。

电路图 

 。 (本文来源网友上传,如有侵权,可联系管理员删除)

版权声明:网站转载的所有的文章、图片、音频视频文件等资料的版权归版权所有人所有。如果本网所选内容的文章作者及编辑认为其作品不宜公开自由传播,或不应无偿使用,请及时联络我们,采取适当措施,避免给双方造成不必要的经济损失。