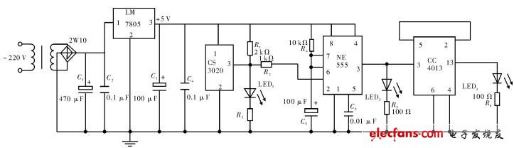
下图是由直流稳压电源、霍尔传感器、单稳态触发器和D触发器组成deep开关门自动照明电路。设计实现当有人推门而入时,室内照明灯会自动亮起;当有人推门而出时,照明灯会自动熄灭的控制功能。 
图 开关门自动照明电路原理图
。 (本文来源网友上传,如有侵权,可联系管理员删除)
版权声明:网站转载的所有的文章、图片、音频视频文件等资料的版权归版权所有人所有。如果本网所选内容的文章作者及编辑认为其作品不宜公开自由传播,或不应无偿使用,请及时联络我们,采取适当措施,避免给双方造成不必要的经济损失。
下图是由直流稳压电源、霍尔传感器、单稳态触发器和D触发器组成deep开关门自动照明电路。设计实现当有人推门而入时,室内照明灯会自动亮起;当有人推门而出时,照明灯会自动熄灭的控制功能。 
图 开关门自动照明电路原理图
。 (本文来源网友上传,如有侵权,可联系管理员删除)
版权声明:网站转载的所有的文章、图片、音频视频文件等资料的版权归版权所有人所有。如果本网所选内容的文章作者及编辑认为其作品不宜公开自由传播,或不应无偿使用,请及时联络我们,采取适当措施,避免给双方造成不必要的经济损失。