• 周一. 10 月 20th, 2025

8声5闪玩具枪设计与原理图 – 消费类电子电路图讲解

6 月 25, 2019

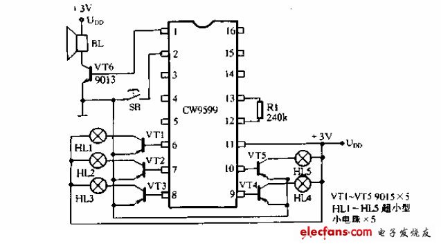
玩具枪电源图如图下图所示:它主要采用一块大规模CMos集成电路CW9899或HC898,其中晶体三极管VT6作放大信号,VT1~VT5为驱动小电珠发光用,R1为外接振荡电阻。接通3V电源,当按下开关SB时扬声器BL中即发出来福枪声,断开SB即停止发声。又能变换一种声响,如炸弹,依次类推。它的特点是一个开关,就能发出8中模拟声。即美按下一次SB时,就能依次变更一种声音,按第9次时,再从头开始循环。它的另一个特点是:五个超小型小电珠能够按照模拟声的变化而同步发光。
电路图 

 。 (本文来源网友上传,如有侵权,可联系管理员删除)

版权声明:网站转载的所有的文章、图片、音频视频文件等资料的版权归版权所有人所有。如果本网所选内容的文章作者及编辑认为其作品不宜公开自由传播,或不应无偿使用,请及时联络我们,采取适当措施,避免给双方造成不必要的经济损失。